1
/
of
9
Uploader
BMW X3 E83 2003-2010 Full Manual Set – Repair & Maintenance Manual
BMW X3 E83 2003-2010 Full Manual Set – Repair & Maintenance Manual
Regular price
38,00 zł PLN
Regular price
Sale price
38,00 zł PLN
Taxes included.
Shipping calculated at checkout.
Quantity
Couldn't load pickup availability
FACTORY WORKSHOP REPAIR SERVICE MANUAL FOR BMW X3 E83 2003-2010 IN PDF FORMAT (5818 PAGES) AVAILABLE AS DOWNLOADABLE LINK.
POWERTRAIN:
Engine: M54 engine: 2.5i, 3.0i (2004-2006); N52 engine: 3.0si, xDrive 30i (2007-2010)
Transmission: Manual: ZF GS6-37BZ (6-speed); Automatic: GM A5S390R (5-speed); Automatic: GM GA6L45R (6-speed)
WHAT'S INSIDE ?
- Maintenance procedures from changing the xDrive fluids to replacing the cabin microfilter.
- Manual and automatic transmission fluid service, front and rear differential service, including xDrive transfer case troubleshooting.
- Step-by-step variable camshaft timing (VANOS) service.
- Cylinder head cover gasket and crankshaft seal replacement.
- Cooling system, thermostat and radiator service, including system bleeding using the electric coolant pump on N52 engines.
- Fuel injection and ignition system diagrams and explanations.
Information on advanced technical features such as VANOS, Valvetronic, xDrive, and DSC (dynamic stability control).
- Suspension repair procedures.
- Brakes, steering and ABS troubleshooting and repair.
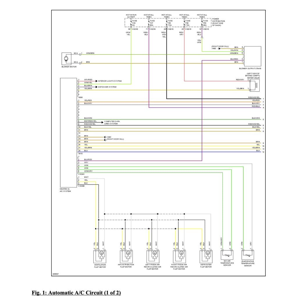
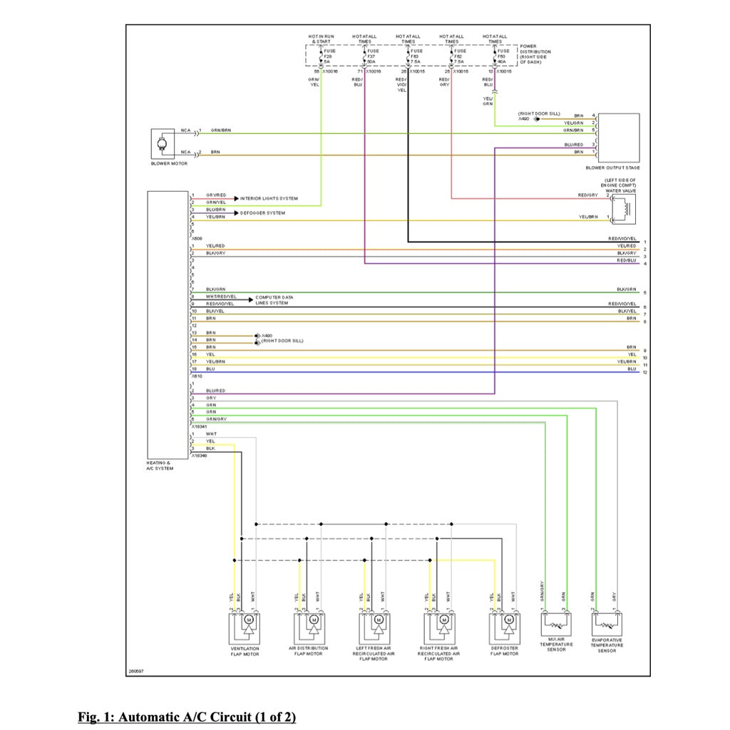
- Heating and air-conditioning repair, including A/C component replacement.
- Body and hood repairs and adjustments.
- Electrical system service, with an easy-to-use illustrated component locator section.
- Comprehensive wiring schematics, including fuses and grounds.
- BMW OBD II diagnostic trouble codes, SAE-defined OBD II P-codes, as well as basic scan tool operation.
- BMW factory tolerances, wear limits, adjustments and tightening torques.
Share








