1
/
of
9
Uploader
BMW Z3 E36/37 1996-2002 Full Manual Set – Repair & Maintenance Manual
BMW Z3 E36/37 1996-2002 Full Manual Set – Repair & Maintenance Manual
Regular price
38,00 zł PLN
Regular price
Sale price
38,00 zł PLN
Taxes included.
Shipping calculated at checkout.
Quantity
Couldn't load pickup availability
BMW Z3 E36/37 (1996-2002) FACTORY SERVICE WORKSHOP MANUAL IN PDF FORMAT (
4000+ PAGES
) AVAILABLE AS DOWNLOADABLE LINK.
This is the same service manual your local BMW dealer will use when doing a repair. This MASSIVE manual has detailed illustrations as well as step by step instructions. Pages are printable, so run off what you need and take it with you into the garage or workshop.
DRIVETRAIN:
Engine:
Z3 Roadster & Z3 Coupe:M44 engine with Bosch DME M5.2 (4-cyl.) ; M52 engine with Siemens DME MS 41.1 (6-cyl.); M52 TU engine with Siemens DME MS 42.1 (6-cyl.); M54 engine with Siemens DME MS 43.0 (6-cyl.)
M Roadster & M Coupe: S52 engine with Siemens DME MS 41.1 (6-cyl.); S54 engine with Siemens DME MS S54 (6-cyl.)
Transmissions:
Manual: Getrag S5D 250 G; ZF S5D 310 Z
Automatic: A4S 270 R; A5S 360 R; A5S 390 R
WHAT'S INSIDE ?
1. General / Service Information
2. Component Location
3. Engine
4. Transmission
5. Driveline/Axles
6. Brakes
7. Suspension
8. Steering
9. Body and Frame
10. Accessories and Equipment
11. HVAC
12. Electrical
13. Electrical (Accessories and Equipment)
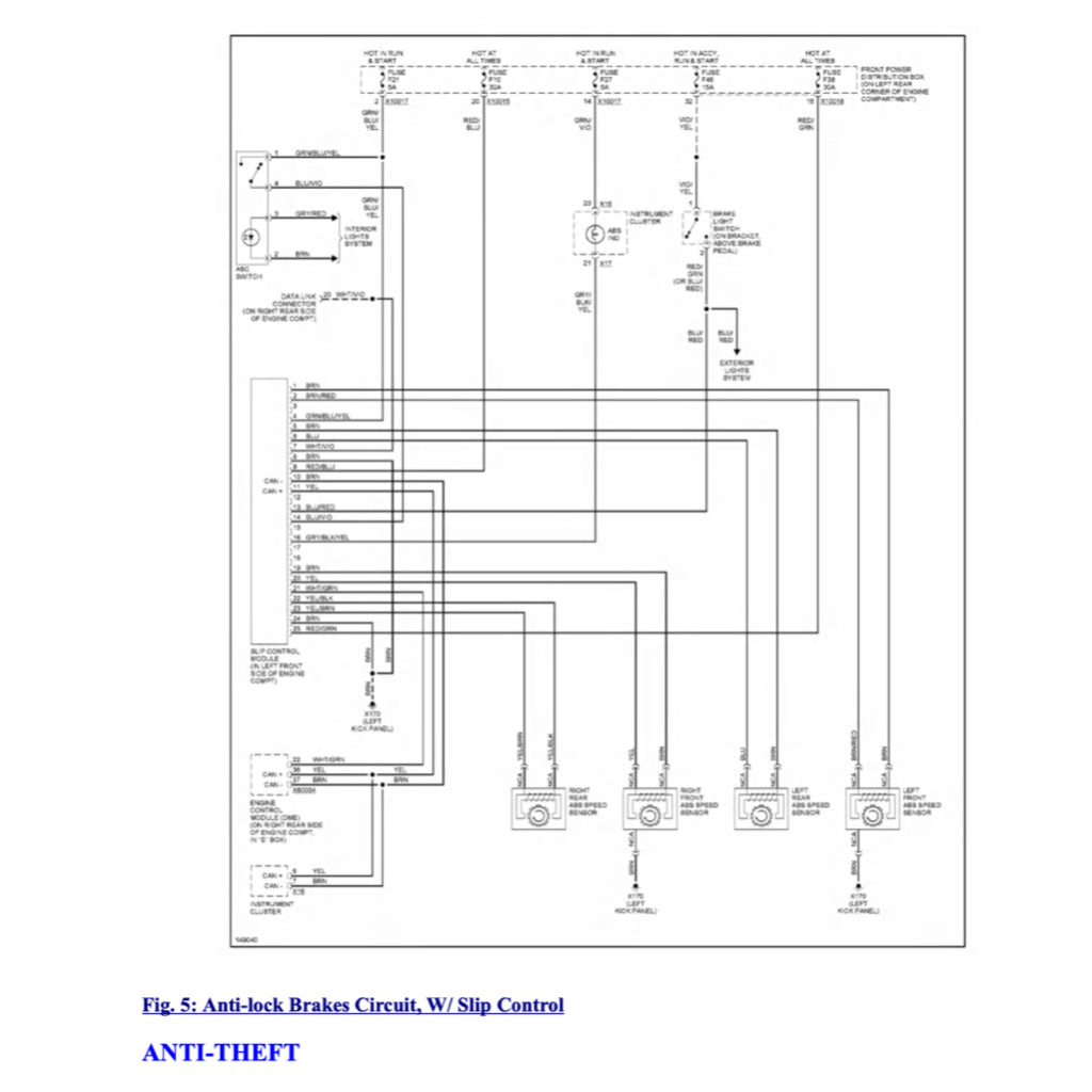
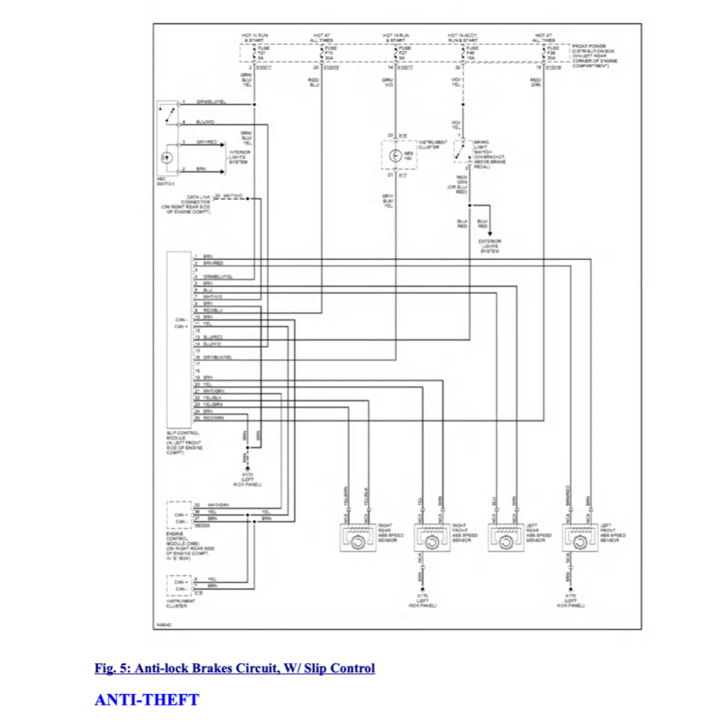
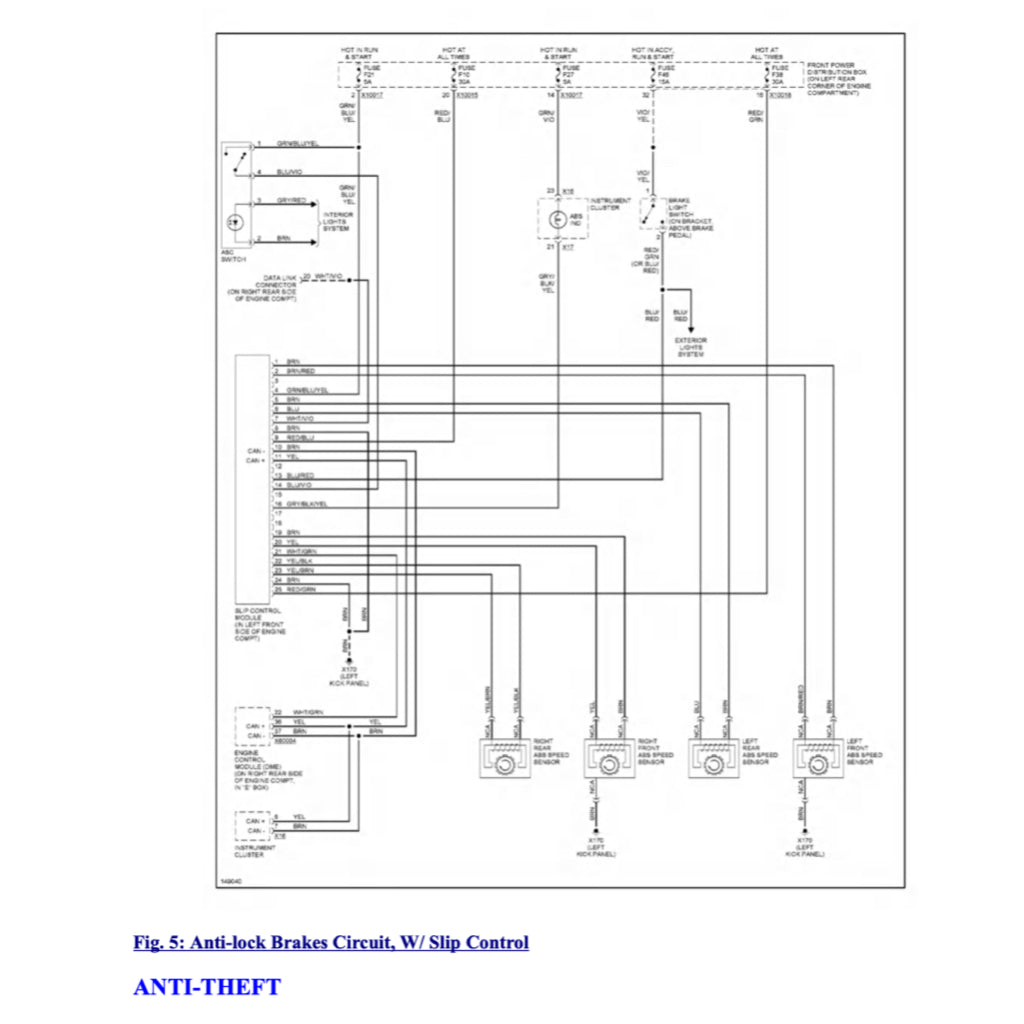
14. System Wiring Diagrams
15. Restraints
Share








