1
/
of
9
Uploader
FERRARI 308/328 GTB GTS F105 1975-1985 Full Manual Set – Repair & Maintenance Manual and Spare Parts Catalog
FERRARI 308/328 GTB GTS F105 1975-1985 Full Manual Set – Repair & Maintenance Manual and Spare Parts Catalog
Regular price
38,00 zł PLN
Regular price
Sale price
38,00 zł PLN
Taxes included.
Shipping calculated at checkout.
Quantity
Couldn't load pickup availability
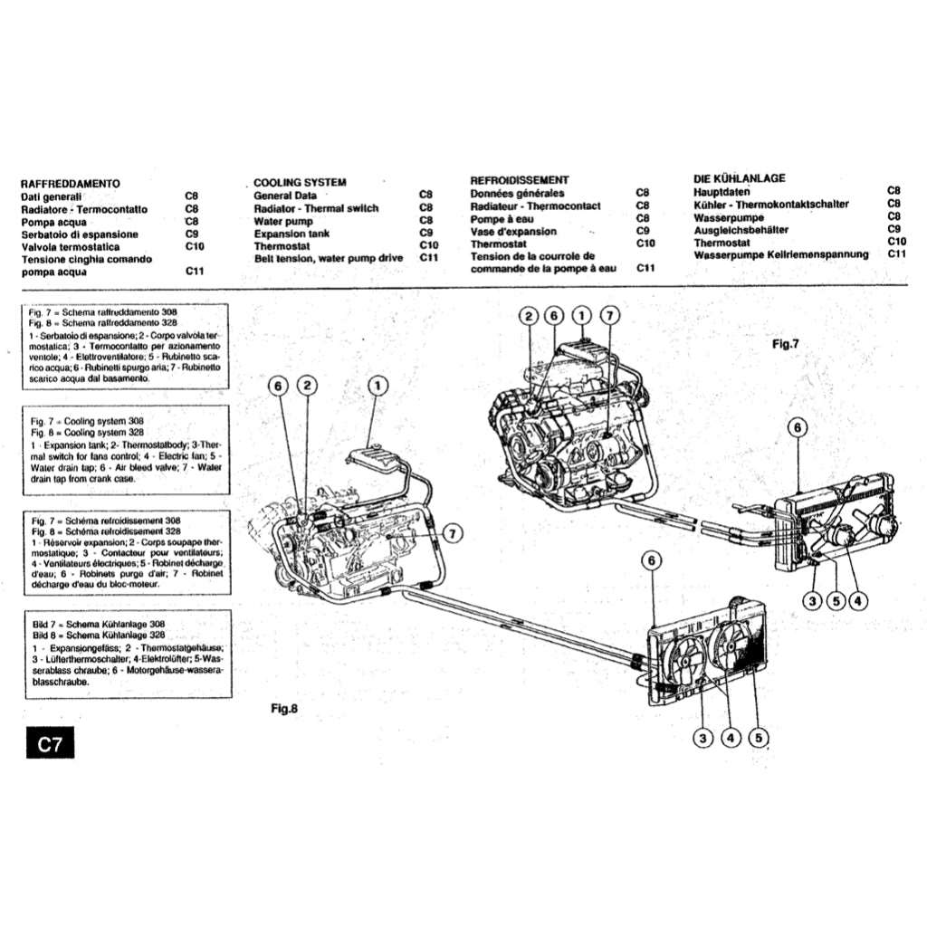
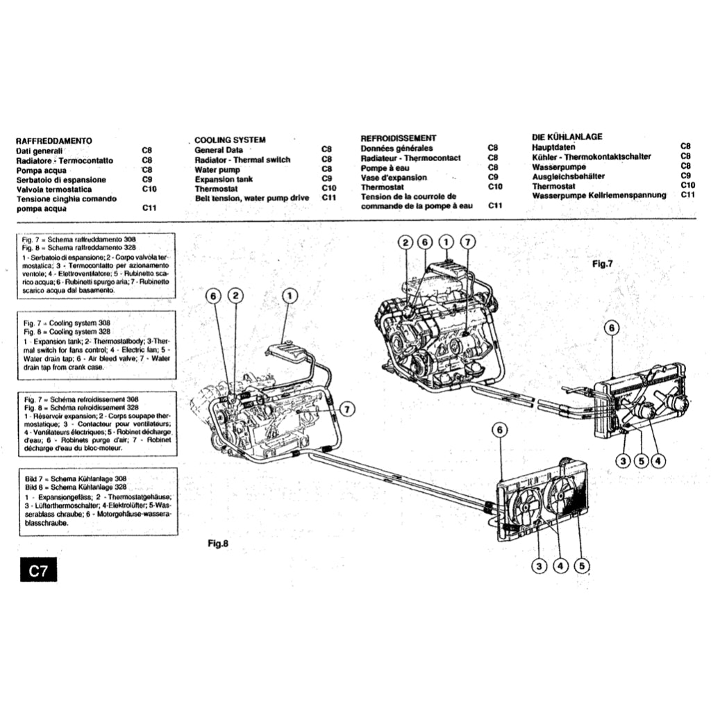
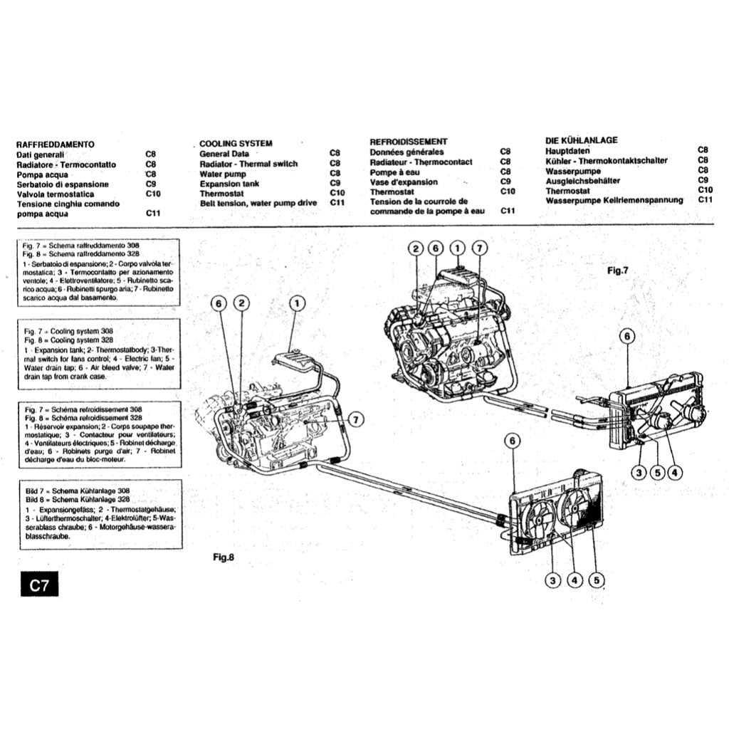
FERRARI 308/328 GTB GTS F105 (1975-1985) SERVICE WORKSHOP MANUAL + PARTS CATALOGUE IN PDF FORMAT (300 PAGES) SUPPLIED AS DOWNLOADABLE LINK.
CONTENTS:
- GENERAL
- ENGINE
- IGNITION-INJECTION
- CLUTCH – GEARBOX AND DIFFERENTIAL
- STEERING
- SUSPENSIONS AND WHEELS
- BRAKING SYSTEM
- CONTROLS – RUNNING INSTRUCTIONS
- AIR CONDITIONING
- ELECTRICAL SYSTEM
Share








