1
/
of
9
Uploader
FORD F-150 F150 RAPTOR 2021+ Full Manual Set – Repair & Maintenance Manual
FORD F-150 F150 RAPTOR 2021+ Full Manual Set – Repair & Maintenance Manual
Regular price
38,00 zł PLN
Regular price
Sale price
38,00 zł PLN
Taxes included.
Shipping calculated at checkout.
Quantity
Couldn't load pickup availability
FORD F-150 RAPTOR P702 (2021+) SERVICE WORKSHOP MANUAL
IN PDF FORMAT (
20000+ PAGES
) SUPPLIED AS DOWNLOADABLE LINK
Here is the 2021 edition of the F-150 Raptor featuring engine
3.3 L Cyclone V6; 3.5 L Cyclone V6; 2.7 L EcoBoost Nano twin-turboV6; 3.5 L EcoBoost twin-turbo V6; 5.0 L Coyote V8
CONTENTS:
- Engine & Systems
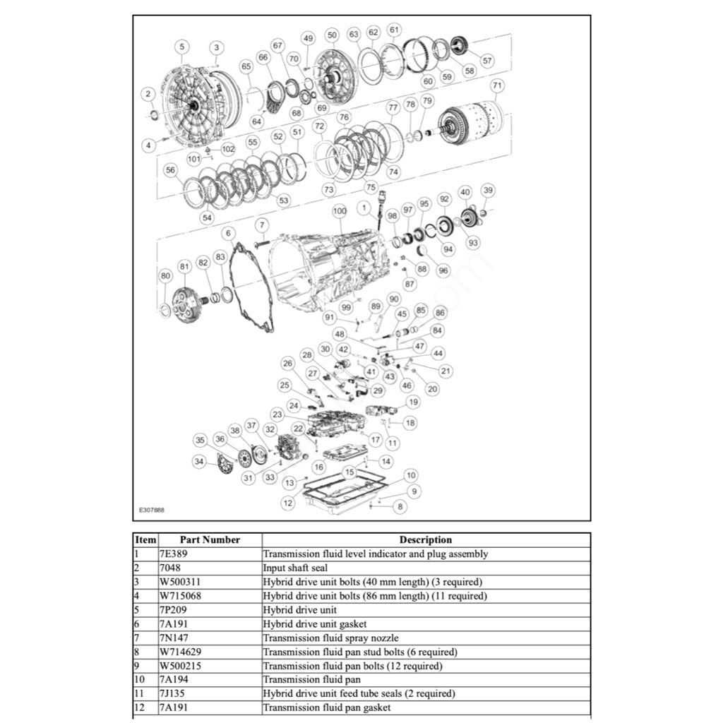
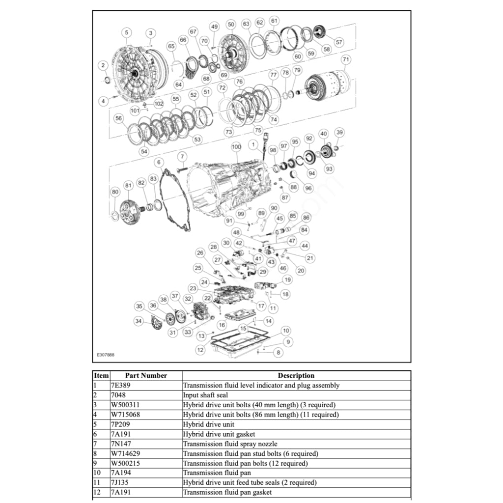
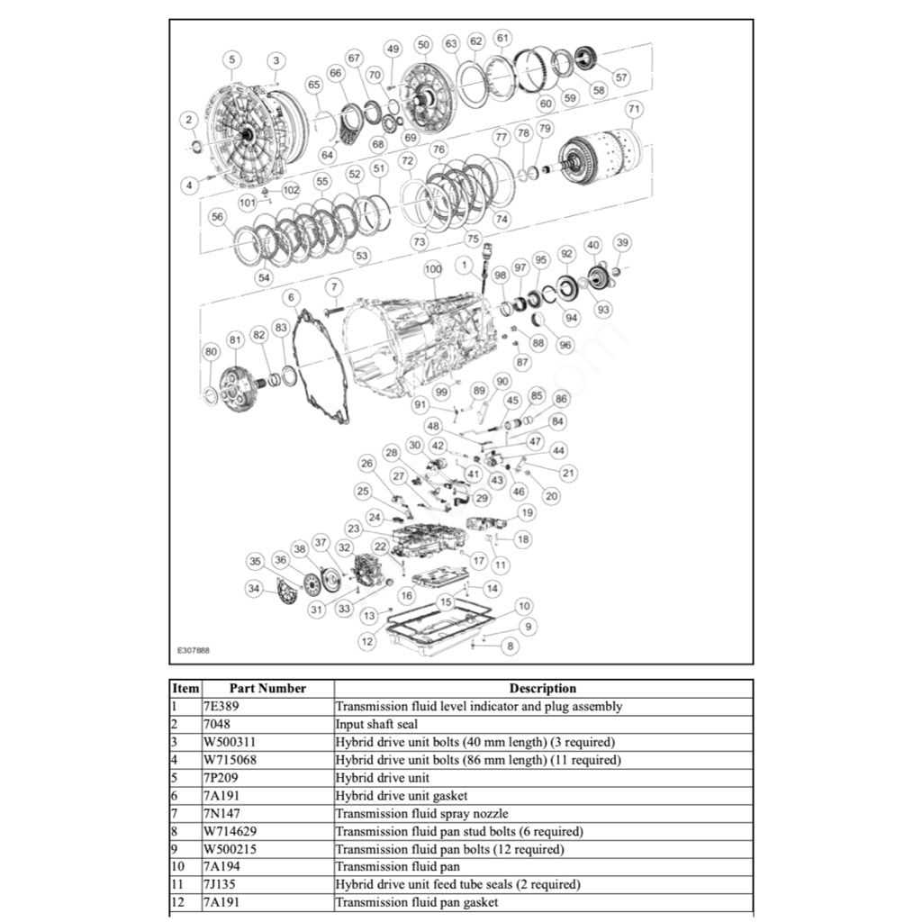
- Automatic Transmission (10 Speed 10R80)
- Running gears (Axles, Suspension. Steering & Brakes)
- Bodywork (including SRS and HVAC)
- Body electrical
- Electrical wiring diagrams
REFERENCE POWERTRAIN
Engine
Gasoline:
3.3 L Cyclone V6
3.5 L Cyclone V6
2.7 L EcoBoost Nano twin-turboV6
3.5 L EcoBoost twin-turbo V6
5.0 L Coyote V8
Diesel:
3.0 L Power Stroke turbo V6
Transmission
6-speed 6R80 automatic
10-speed 10R80 automatic
Share








