1
/
of
9
Uploader
FORD MUSTANG S550 2015-2021 Full Manual Set – Repair & Maintenance Manual
FORD MUSTANG S550 2015-2021 Full Manual Set – Repair & Maintenance Manual
Regular price
38,00 zł PLN
Regular price
Sale price
38,00 zł PLN
Taxes included.
Shipping calculated at checkout.
Quantity
Couldn't load pickup availability
FORD MUSTANG S550 (2015-2021) FACTORY SERVICE WORKSHOP MANUAL IN PDF FORMAT (9500 PAGES) SUPPLIED AS DOWNLOADABLE LINK.
This is the same service manual your local Ford dealer will use when doing a repair. This manual has detailed illustrations as well as step by step instructions. Pages are printable, so run off what you need and take it with you into the garage or workshop. Each manual provides step-by-step instructions supported by thousands of photos and illustrations guiding the reader through each service & repair procedure.
ENGINES FEATURED IN THIS MANUAL: 2.3 L EcoBoost I4; 3.7 L DURATEC V6; 5.0L TI-VCT 32V; 5.0L TI-VCT V8
POWERTRAIN
Engine
2.3 L EcoBoost I4
3.7 L Cyclone V6
5.0 L Coyote V8
5.2 L Voodoo V8
5.2 L Predator V8 (2020 Shelby GT500)
Transmission
6-Speed manual (Tremec TR-3160)
Getrag / Ford MT82)
Getrag / Ford MT82-D4)
Ford 6-Speed (6R80) automatic
Ford 10-speed automatic (10R80)
WHAT'S INSIDE ?
Detailed sub-steps expand on repair procedure information
Notes, cautions and warnings throughout each chapter pinpoint critical information.
Numbered instructions guide you through every repair procedure step by step.
Bold figure number help you quickly match illustrations with instructions.
Detailed illustrations, drawings and photos guide you through every procedure.
Enlarged inset helps you identify and examine parts in detail.
Numbered table of contents easy to use so that you can find the information you need fast.
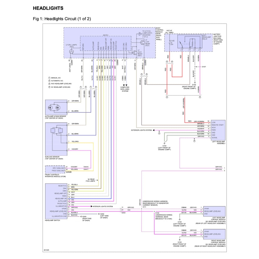
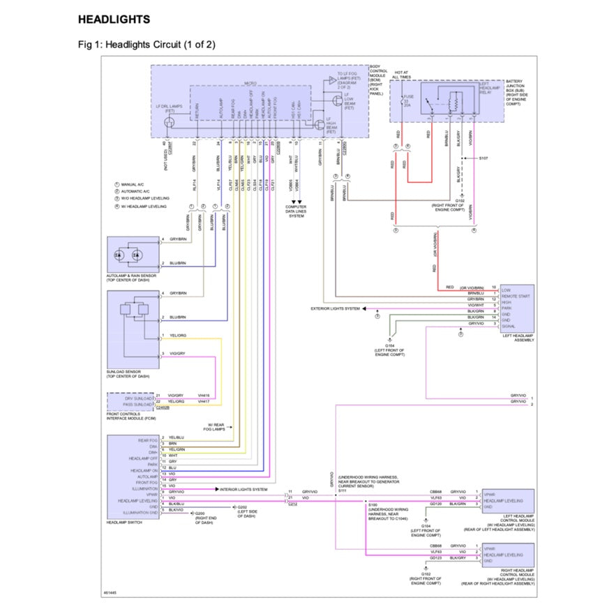
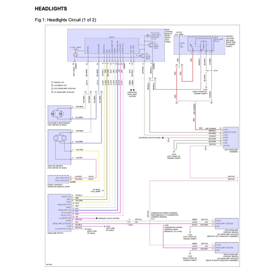
This manual also makes it easy to diagnose and repair problems with your machines electrical system.
Troubleshooting and electrical service procedures are combined with detailed wiring diagram for ease of use.
Share








