1
/
of
9
Uploader
FORD RANGER PE/PG/PH 1998-2005 Full Manual Set – Repair & Maintenance Manual
FORD RANGER PE/PG/PH 1998-2005 Full Manual Set – Repair & Maintenance Manual
Regular price
38,00 zł PLN
Regular price
Sale price
38,00 zł PLN
Taxes included.
Shipping calculated at checkout.
Quantity
Couldn't load pickup availability
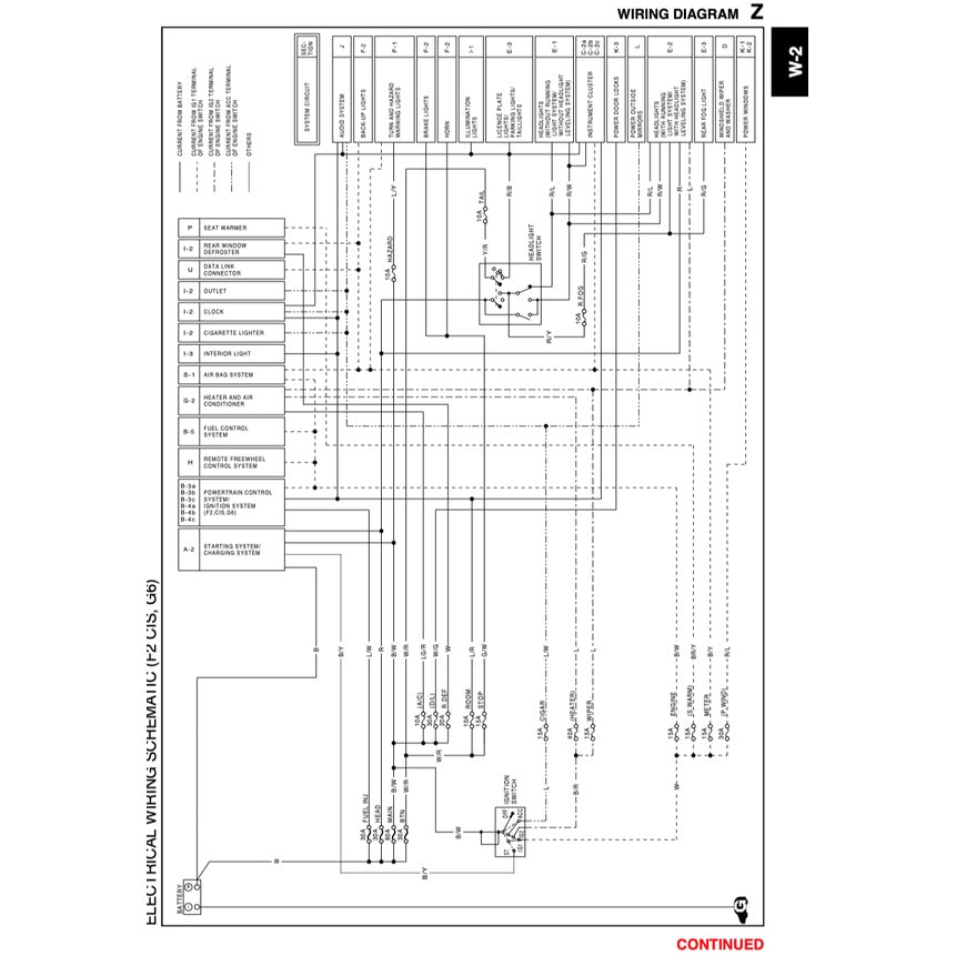
FORD RANGER PE/PG/PH (1998-2005) FACTORY SERVICE WORKSHOP MANUAL IN PDF FORMAT (
1242 PAGES
) SUPPLIED AS DOWNLOADABLE LINK.
This is the same service manual your local FORD dealer will use when doing a repair. This manual has detailed illustrations as well as step by step instructions. All pages are printable, so run off what you need and take it with you into the garage or workshop.
ENGINE COVERED BY THIS MANUAL:
2.6 L G6E I4, 2.5 L WL L4, 2.5 L WLT I4, F2, F8
TRANSMISSION COVERED BY THIS MANUAL: 5-SPEED MANUAL M15M-D & M15MX-D; 4 & 5 SPEED AUTOMATIC 4R44E/4R55E & A4LD
Powertrain
Engine
Petrol:
2.6 L G6E I4
4.0 L Cologne V6
Diesel:
2.5 L WL Duratorq I4
2.5 L WLT Duratorq I4 turbo
2.9 L W9 Duratorq I4
3.0 L VS Duratorq I4 turbo
Transmission
5-speed manual
4-speed automatic
5-speed automatic
Share








