1
/
of
9
Uploader
HONDA FORZA 350 NSS350-A 2021+ Full Manual Set – Repair & Maintenance Manual IN THAI LANGUAGE and Spare Parts Catalog and User Handbook
HONDA FORZA 350 NSS350-A 2021+ Full Manual Set – Repair & Maintenance Manual IN THAI LANGUAGE and Spare Parts Catalog and User Handbook
Regular price
38,00 zł PLN
Regular price
Sale price
38,00 zł PLN
Taxes included.
Shipping calculated at checkout.
Quantity
Couldn't load pickup availability
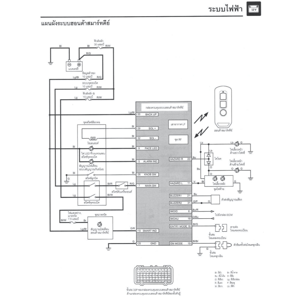
HONDA FORZA 350 NSS350-A (2021+) SERVICE WORKSHOP MANUAL
IN THAI LANGUAGE
+ PARTS CATALOGUE + OWNER'S MANUAL IN PDF FORMAT (393 PAGES). THIS DIGITISED MANUAL IS AVAILABLE AS DOWNLOADABLE LINK.
This manual will help you restore, repair and maintain your HONDA NSS-350 just like professional mechanic. Very easy step by step instructions with hundreds of diagrams and schematics. Covers all aspects of the bike from engine to suspension, wheels, fuel supply, electrical and trouble shooting tips. If you can fix a Matchbox, with this manual you can fix your HONDA NSS-350 A to Z.
Share








