1
/
of
8
Uploader
HONDA WAVE ALPHA 110 AFP1100SF 2023+ Full Manual Set – Repair & Maintenance Manual and Spare Parts Catalog andUser Handbook
HONDA WAVE ALPHA 110 AFP1100SF 2023+ Full Manual Set – Repair & Maintenance Manual and Spare Parts Catalog andUser Handbook
Regular price
38,00 zł PLN
Regular price
Sale price
38,00 zł PLN
Taxes included.
Shipping calculated at checkout.
Quantity
Couldn't load pickup availability
HONDA WAVE ALPHA 110 AFP1100SF (2023+) SERVICE WORKSHOP MANUAL + PARTS CATALOGUE +OWNER'S MANUAL IN PDF FORMAT (347 PAGES). THIS DIGITISED MANUAL IS SUPPLIED AS DOWNLOADABLE LINK
This is a comprehensive workshop manual for both technicians and DIY bike mechanic. This manual will help you restore, repair and maintain your Honda WAVE ALPHA just like professional mechanic. Very easy step by step instructions with hundreds of diagrams and schematics. Covers all aspects of the bike from engine to suspension, wheels, fuel supply, electrical and trouble shooting tips. If you can fix a Matchbox, with this manual you can fix your Honda Wave Alpha from A to Z.
CONTENT:
- General information
- Technical features
- Frame/Body/Exhaust
- Maintenance
- Lubrication system
- Fuel System
-Cooling System
- Engine Removal/Installation
- Cylinder Head /Valves
- Clutch/ Gearshift linkage
- Alternator
- Crankcase/Transmission/Balancer
- Crankshaft/Piston/Cylinder
- Front Wheel Suspension/ Steering
- Rear Wheel/ Suspension
- Rear Hydraulic Suspension
- Hydraulic Brake
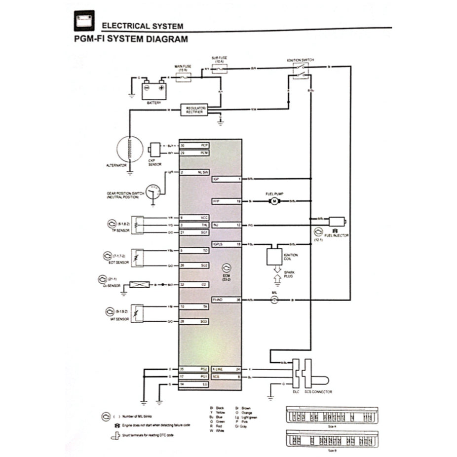
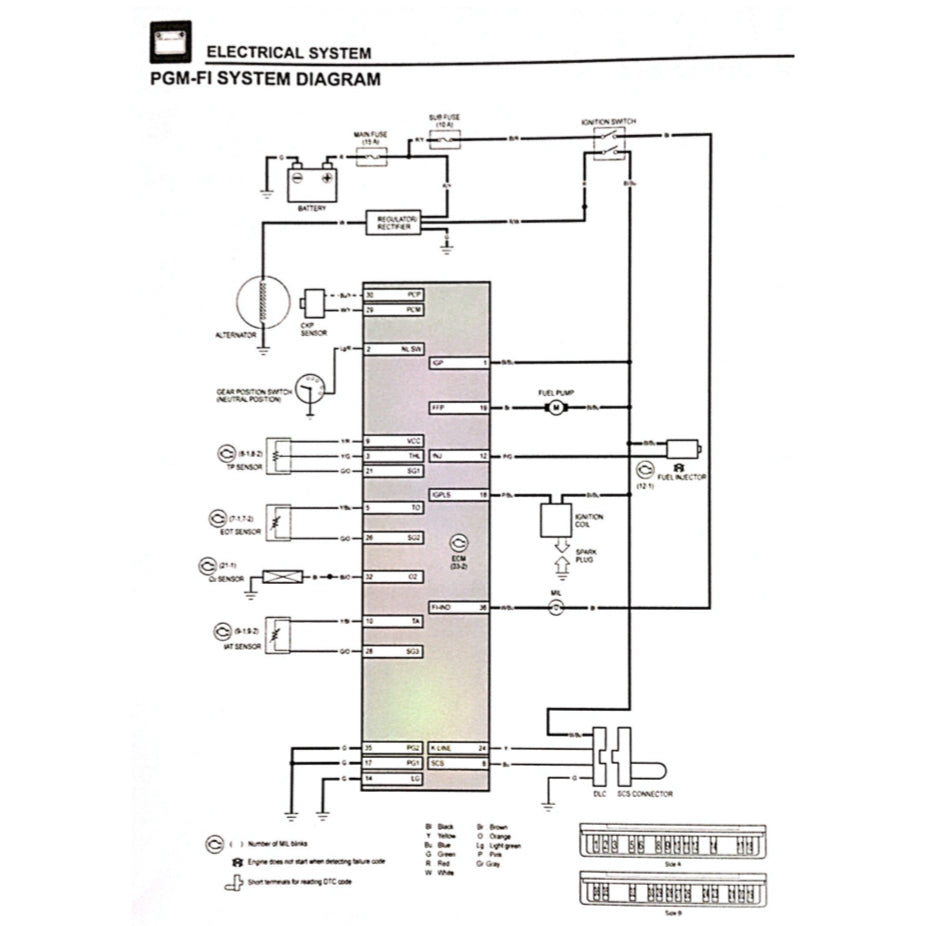
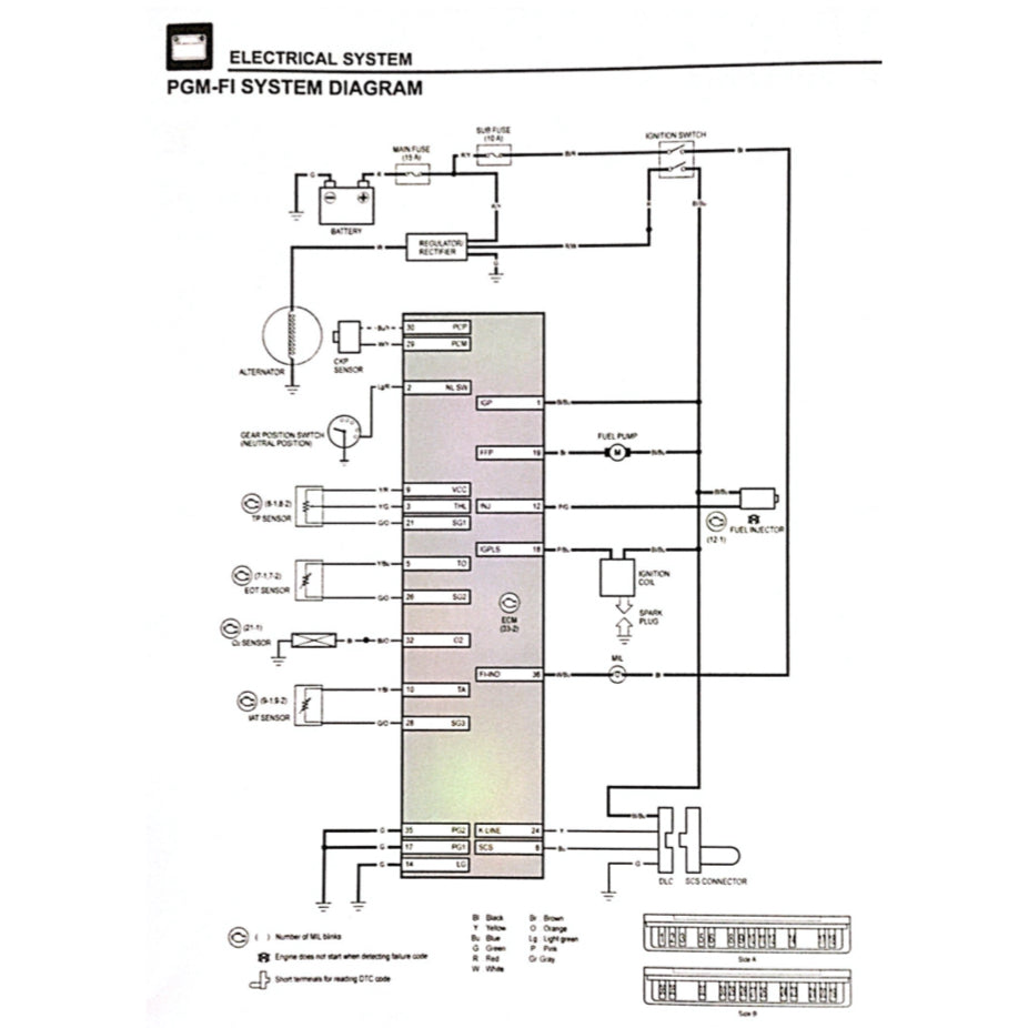
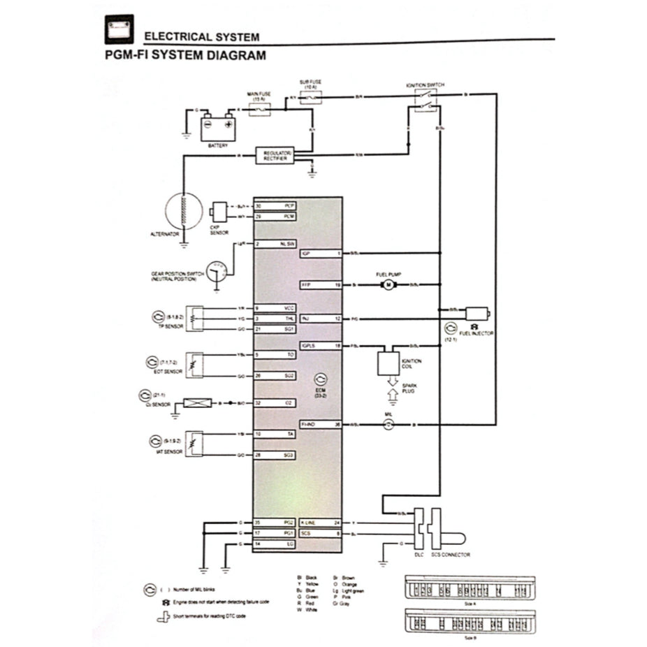
- Battery Charging System
- Ignition System
- Electric Starter
- Lights/Meters/Switches
- Wiring Diagram
- Troubleshooting
- Index
Share







