1
/
of
9
Uploader
HYUNDAI SONATA Y3 1993-1998 Full Manual Set – Repair & Maintenance Manual
HYUNDAI SONATA Y3 1993-1998 Full Manual Set – Repair & Maintenance Manual
Regular price
38,00 zł PLN
Regular price
Sale price
38,00 zł PLN
Taxes included.
Shipping calculated at checkout.
Quantity
Couldn't load pickup availability
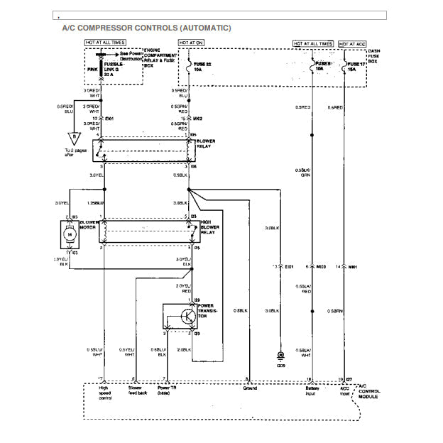
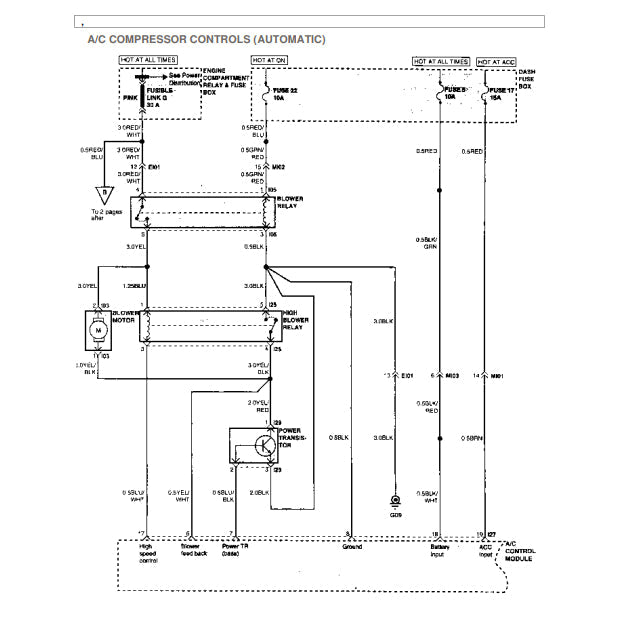
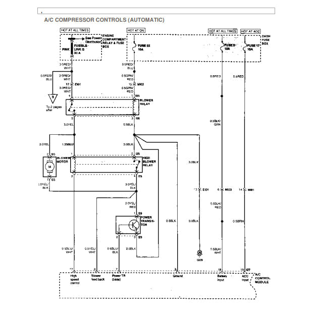
HYUNDAI SONATA Y3 (1993-1998) SERVICE WORKSHOP MANUAL (~1000 PAGES) SUPPLIED AS DOWNLOADABLE LINK.
This is the same type of service manual your local HYUNDAI dealer will use when doing a repair. This manual has detailed illustrations as well as step by step instructions. All pages are printable, so run off what you need and take it with you into the garage or workshop. This manual is your number one source for repair and service information. It is specifically written for the DIY as well as the experienced mechanic.
ENGINE FEATURED IN THIS MANUAL: 2.0 L DOHC I4 (ONLY)
POWERTRAIN:
Engine
1.8 L G4CM I4
1.8 L G4CN I4
2.0 L G4CP I4
3.0 L G6AT V6
Transmission
5-speed manual
4-speed automatic
Share








