1
/
of
8
Uploader
ISUZU MU-X 2013-2020 Full Manual Set – Repair & Maintenance Manual
ISUZU MU-X 2013-2020 Full Manual Set – Repair & Maintenance Manual
Regular price
38,00 zł PLN
Regular price
Sale price
38,00 zł PLN
Taxes included.
Shipping calculated at checkout.
Quantity
Couldn't load pickup availability
ISUZU MU-X RF (2013-2020) SERVICE WORKSHOP MANUAL IN PDF FORMAT (~6000 PAGES). THIS IS THE PDF VERSION OF THE FACTORY MANUAL AVAILABLE AS DOWNLOADABLE LINK.
This is the same service manual your local ISUZU dealer will use when doing a repair. This manual has detailed illustrations as well as step by step instructions. All pages are printable, so run off what you need and take it with you into the garage or workshop. These manuals are your number one source for repair and service information.
POWERTRAIN
Engine
Diesel:
1.9 L RZ4E-TC I4
2.5 L 4JK1-TCX I4
3.0 L 4JJ1-TCX I4
Transmission
5-speed manual
5-speed Aisin TB-50LS automatic
6-speed manual
6-speed Aisin AWE6B45 II automatic
CONTENTS
1. GENERAL INFORMATION + MAINTENANCE
2. ENGINE + SYSTEMS
3. TRANSMISSION
4. RUNNING GEARS
5. BODYWORK
6. HVAC
7. COMMS + NAVIGATION
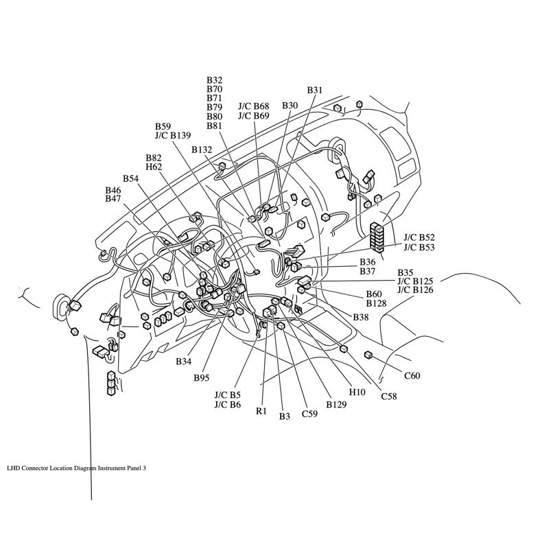
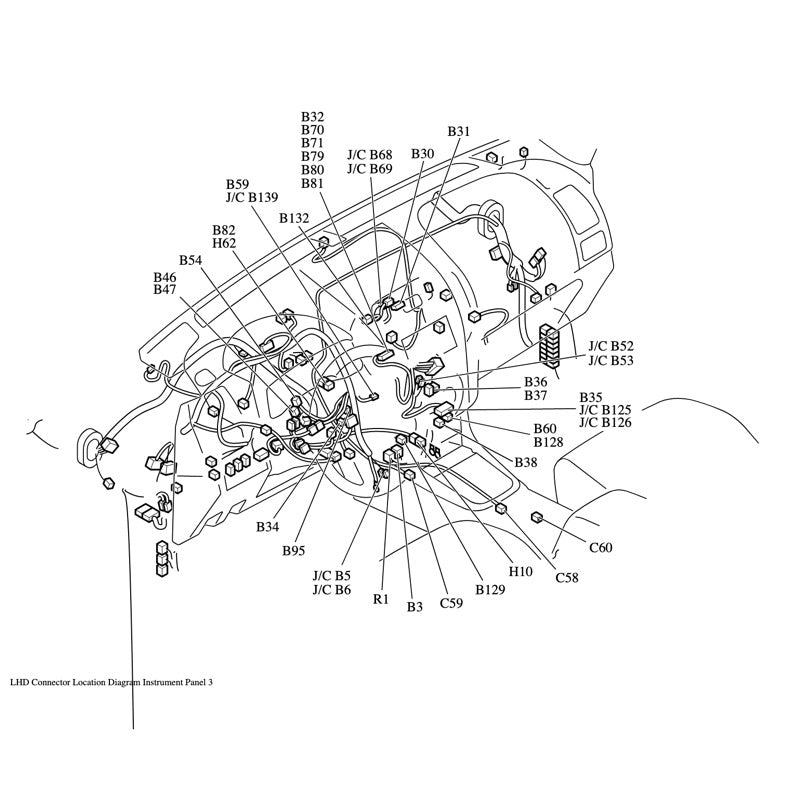
8. WIRING DIAGRAMS + COMPONENTS LOCATION
9. RESTRAINTS
Share







