1
/
of
17
Uploader
ISUZU TROOPER UX 1994-1997 Full Manual Set – Repair & Maintenance Manual
ISUZU TROOPER UX 1994-1997 Full Manual Set – Repair & Maintenance Manual
Regular price
38,00 zł PLN
Regular price
Sale price
38,00 zł PLN
Taxes included.
Shipping calculated at checkout.
Quantity
Couldn't load pickup availability
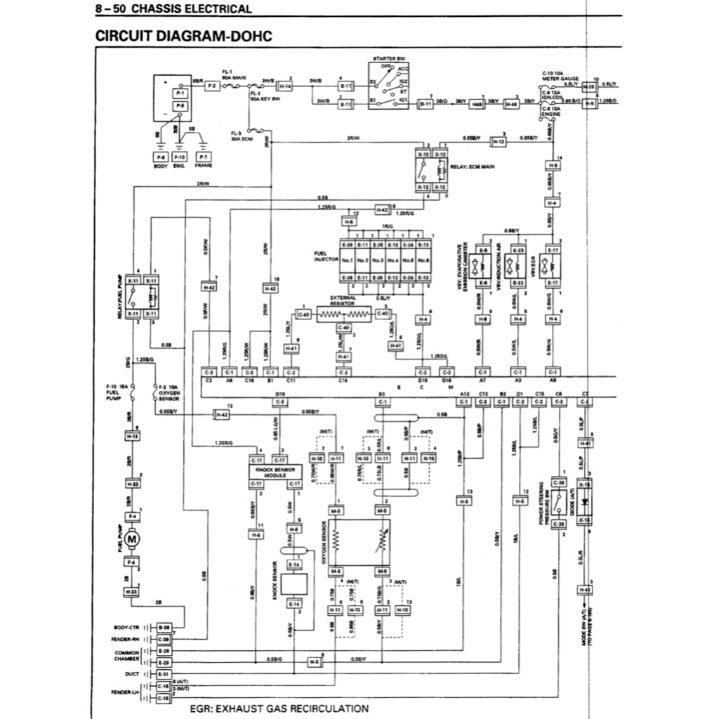
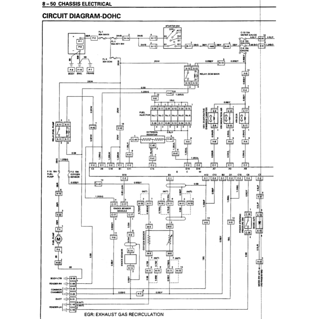
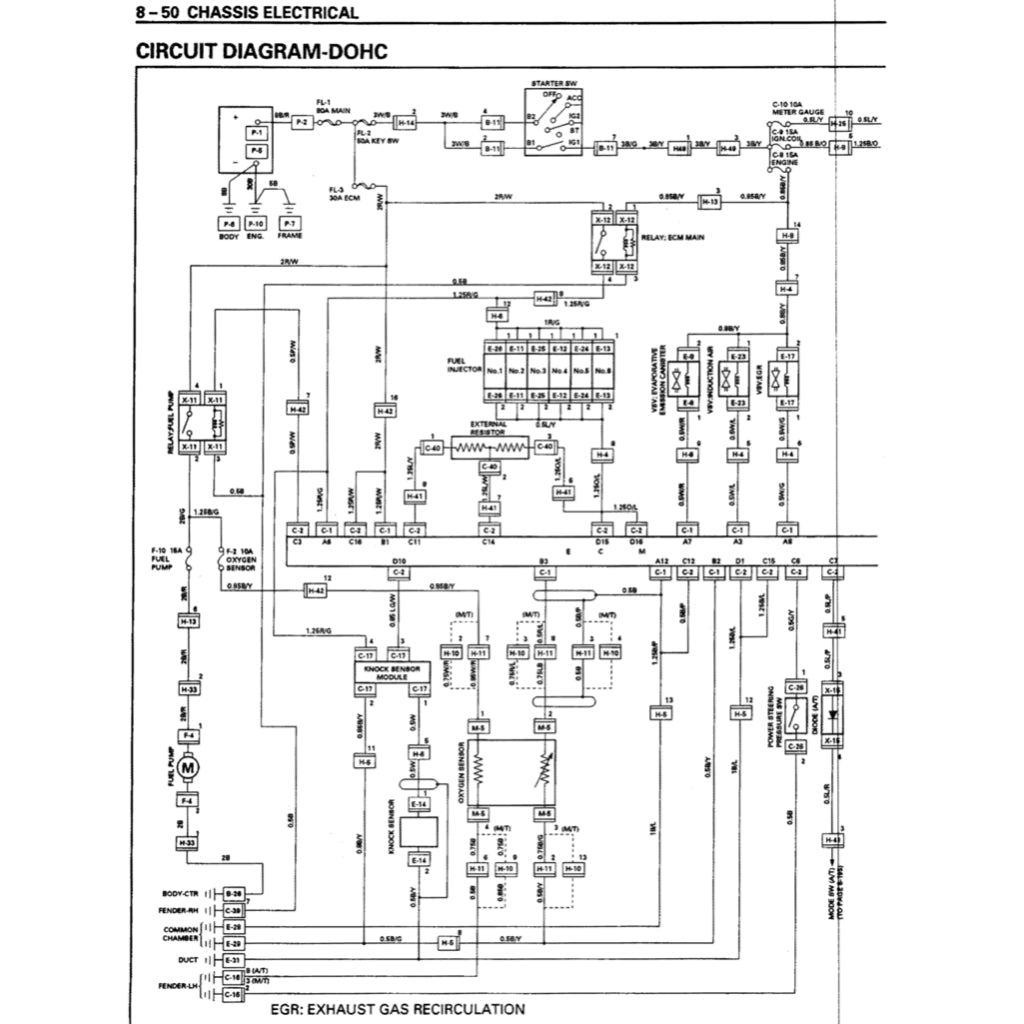
ISUZU TROOPER UX (1994-1997) SERVICE WORKSHOP MANUAL. THIS IS THE ORIGINAL DIGITISED VERSION OF THE FACTORY MANUAL IN PDF FORMAT (1923 PAGES) AVAILABLE BOTH AS DOWNLOADABLE LINK.
This is the same service manual your local ISUZU dealer will use when doing a repair. This manual has detailed illustrations as well as step by step instructions. All pages are printable, so run off what you need and take it with you into the garage or workshop. These manuals are your number one source for repair and service information.
ENGINE FEATURED IN THIS MANUAL: 3.2L SOHC V6 & 3.2L DOHC V6
POWERTRAIN
Engine
Petrol:
3.2 L 6VD1 SOHC V6
3.2 L 6VD1 DOHC V6
3.5 L 6VE1 DOHC V6
Diesel:
3.0 L 4JX1 turbo I4
3.1 L 4JG2 turbo I4
Transmission
4-speed automatic
5-speed manual
______________
Share
















