1
/
of
9
Uploader
KAWASAKI ER-6f ER6f 2006-2014 Full Manual Set – Repair & Maintenance Manual and User Handbook
KAWASAKI ER-6f ER6f 2006-2014 Full Manual Set – Repair & Maintenance Manual and User Handbook
Regular price
38,00 zł PLN
Regular price
Sale price
38,00 zł PLN
Taxes included.
Shipping calculated at checkout.
Quantity
Couldn't load pickup availability
KAWASAKI ER-6f ER6f (2006-2014) SERVICE WORKSHOP MANUAL + OWNER'S MANUAL IN PDF FORMAT (750-900 PAGES). THIS DIGITISED MANUAL IS SUPPLIED AS DOWNLOADABLE LINK
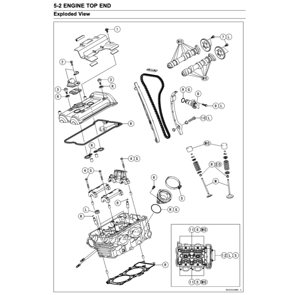
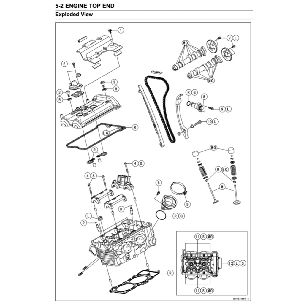
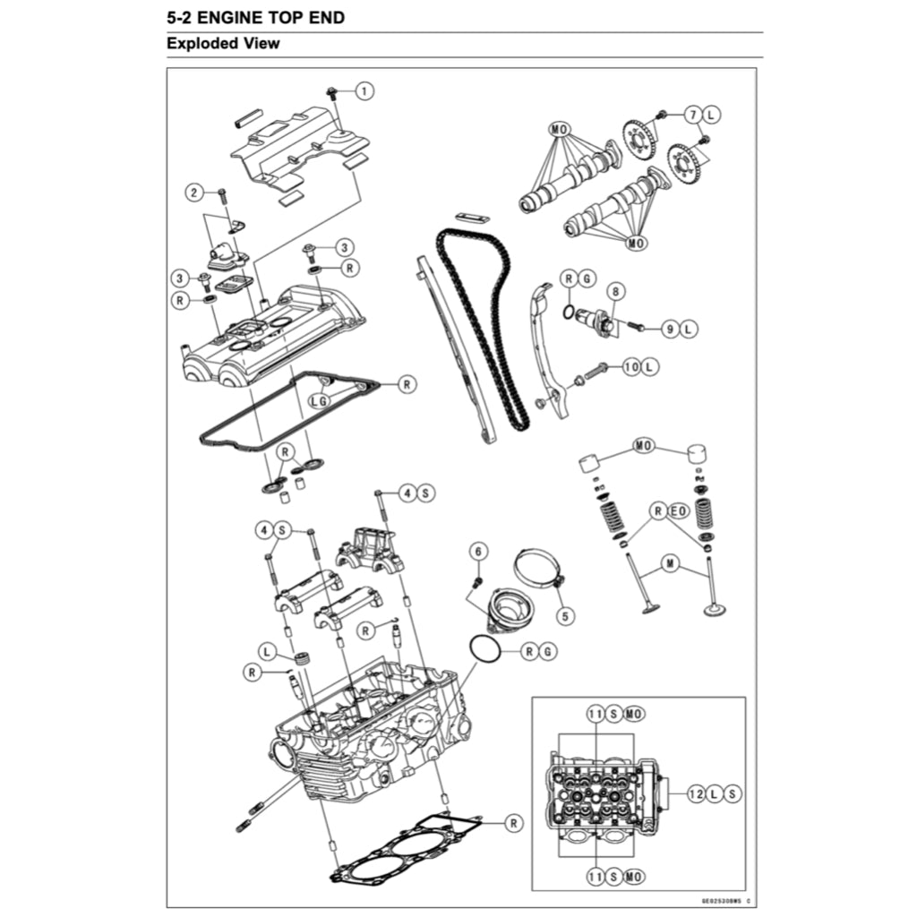
This is a comprehensive workshop manual for both technicians and DIY bike mechanic. This manual will help you restore, repair and maintain your KAWASAKI just like professional mechanic. Very easy step by step instructions with hundreds of diagrams and schematics. Covers all aspects of the bike from engine to suspension, wheels, fuel supply, electrical and trouble shooting tips. If you can fix a Matchbox, with this manual you can fix your Kawasaki A to Z.
WE OFFER 3 OPTIONS FOR THIS MANUAL (SELECT AT CHECKOUT):
- ER-6F (2006-2008)
- ER-6F (2009-2011)
- ER-6F (2012-2014) WITH PARTS CATALOGUE
Share








