1
/
of
9
Uploader
MAZDA CX-5 KF 2018-2022 Full Manual Set – Repair & Maintenance Manual
MAZDA CX-5 KF 2018-2022 Full Manual Set – Repair & Maintenance Manual
Regular price
38,00 zł PLN
Regular price
Sale price
38,00 zł PLN
Taxes included.
Shipping calculated at checkout.
Quantity
Couldn't load pickup availability
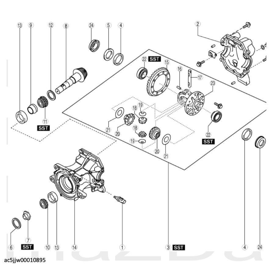
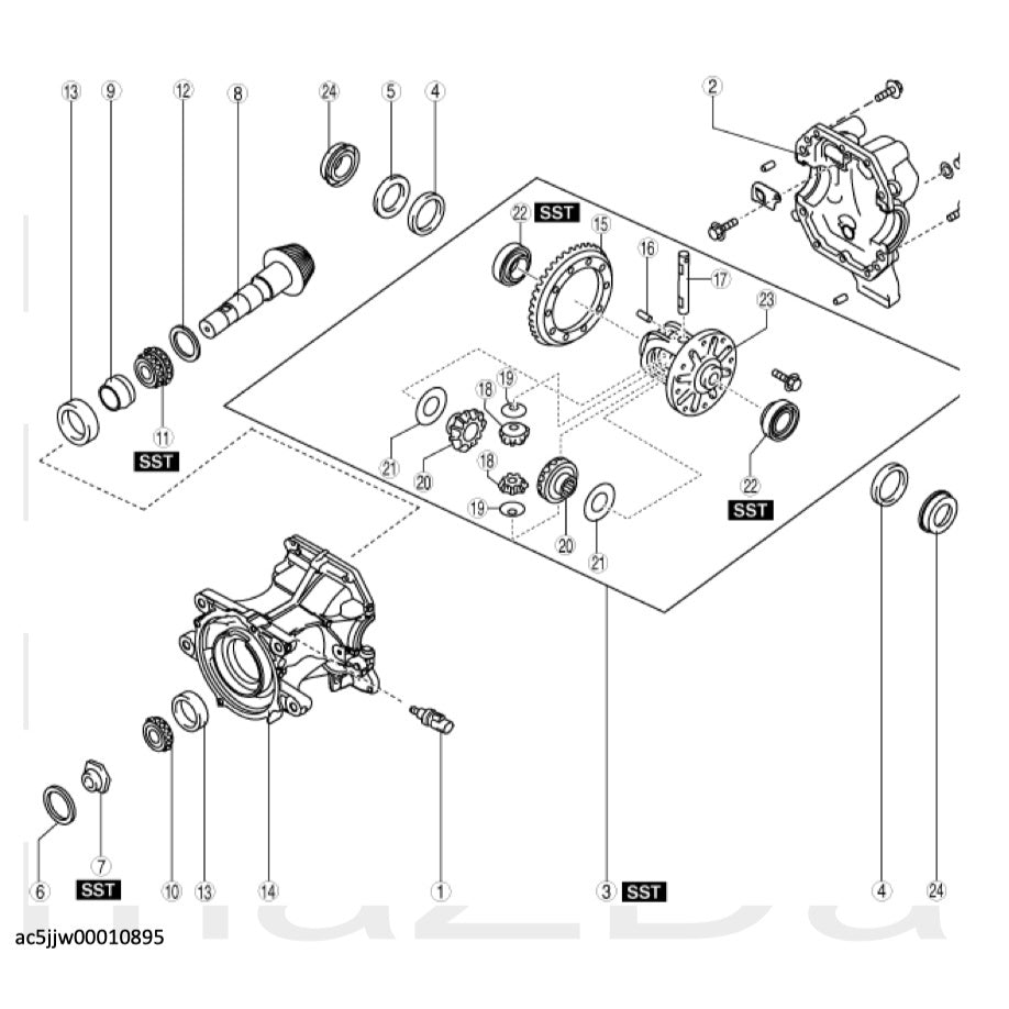
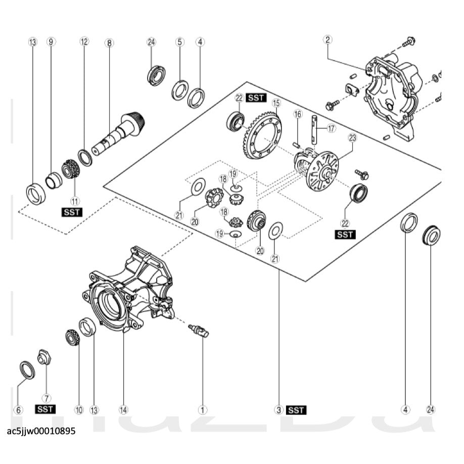
MAZDA CX-5 KF (2018-2022) SERVICE WORKSHOP MANUAL IN PDF FORMAT (3900 PAGES). THIS IS THE DIGISTISED VERSION OF THE FACTORY MANUAL AVAILABLE AS DOWNLOADABLE LINK.
This is the same type of service manual your local MAZDA dealer will use when doing a repair. This manual has detailed illustrations as well as step by step instructions. All pages are printable, so run off what you need and take it with you into the garage or workshop. This manual is your number one source for repair and service information. It is specifically written for the DIY as well as the experienced mechanic.
ENGINE:
Petrol:
2.0 L SkyActiv-G PE-VPS I4
2.5 L SkyActiv-G PY-VPS I4
Diesel:
2.2 L SkyActiv-D SH-VPTS I4
TRANSMISSION
6-speed SkyActiv-MT manual
6-speed SkyActiv-Drive automatic
WHAT'S INSIDE ?
Detailed sub-steps expand on repair procedure information
Notes, cautions and warnings throughout each chapter pinpoint critical information.
Numbered instructions guide you through every repair procedure step by step.
Bold figure number help you quickly match illustrations with instructions.
Detailed illustrations, drawings and photos guide you through every procedure.
Enlarged inset helps you identify and examine parts in detail.
Numbered table of contents easy to use so that you can find the information you need fast.
This manual also makes it easy to diagnose and repair problems with your machines electrical system.
Troubleshooting and electrical service procedures are combined with detailed wiring diagram for ease of use.
__________________________
Share








