1
/
of
9
Uploader
NISSAN 350-Z / Z33 2003-2009 Full Manual Set – Repair & Maintenance Manual
NISSAN 350-Z / Z33 2003-2009 Full Manual Set – Repair & Maintenance Manual
Regular price
38,00 zł PLN
Regular price
Sale price
38,00 zł PLN
Taxes included.
Shipping calculated at checkout.
Quantity
Couldn't load pickup availability
NISSAN 350-Z / Z33 (2003-2009) FACTORY SERVICE WORKSHOP MANUAL IN PDF FORMAT (
2750-3300 PAGES
) AVAILABLE AS DOWNLOADABLE LINK
This is the same service manual your local NISSAN dealer will use when doing a repair. This manual has detailed illustrations as well as step by step instructions. All pages are printable, so run off what you need and take it with you into the garage or workshop.
ENGINE FEATURED IN THIS MANUAL: 3.5 L VQ35DE V6 (2003 & 2006) & 3.5 L VQ35HR V6 (2007-2009) - SELECT OPTION AT CHECKOUT
POWERTRAIN
Engine
3.5 L VQ35DE V6 (2003-2006)
3.5 L VQ35HR V6 (2007-2009)
Transmission
5-speed RE5R05A automatic
6-speed FS6R31A manual
WHAT'S INSIDE ?
Detailed sub-steps expand on repair procedure information
Notes, cautions and warnings throughout each chapter pinpoint critical information.
Numbered instructions guide you through every repair procedure step by step.
Bold figure number help you quickly match illustrations with instructions.
Detailed illustrations, drawings and photos guide you through every procedure.
Enlarged inset helps you identify and examine parts in detail.
Numbered table of contents easy to use so that you can find the information you need fast.
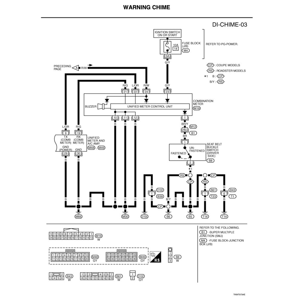
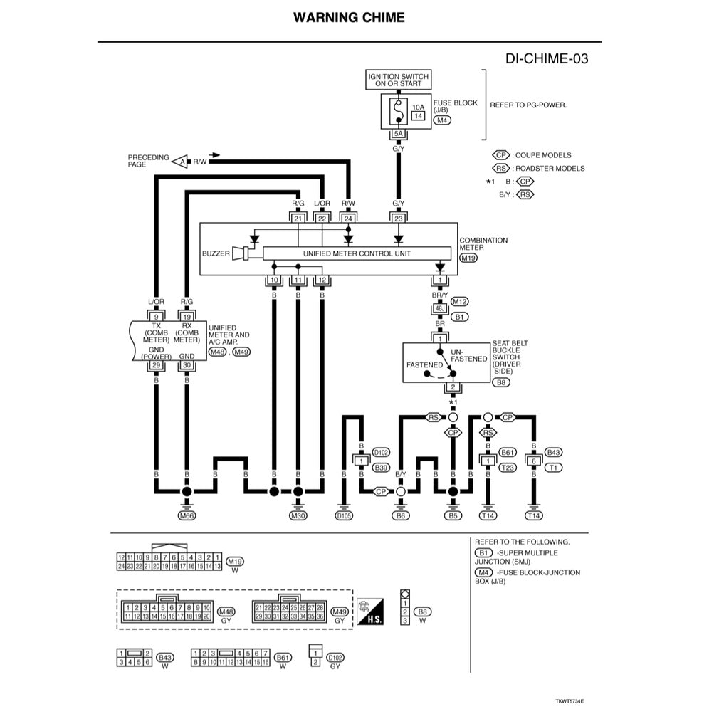
This manual also makes it easy to diagnose and repair problems with your machines electrical system.
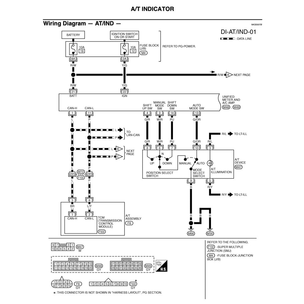
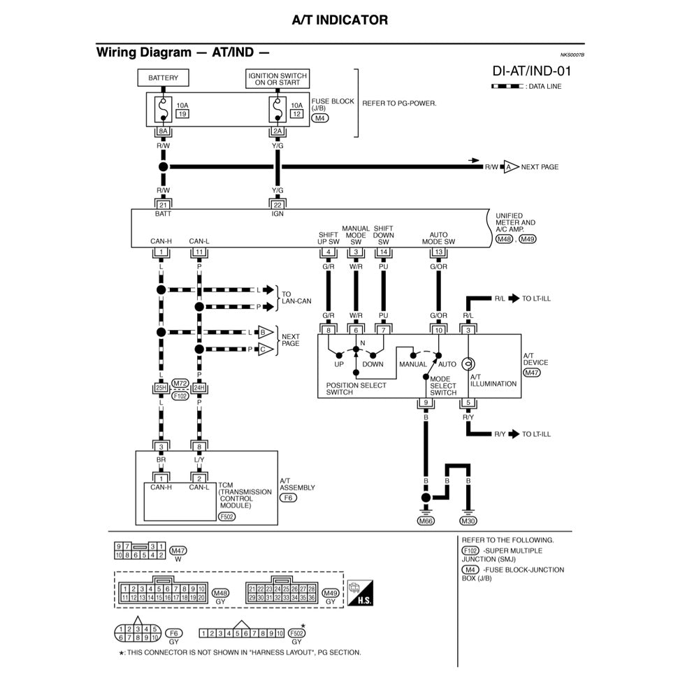
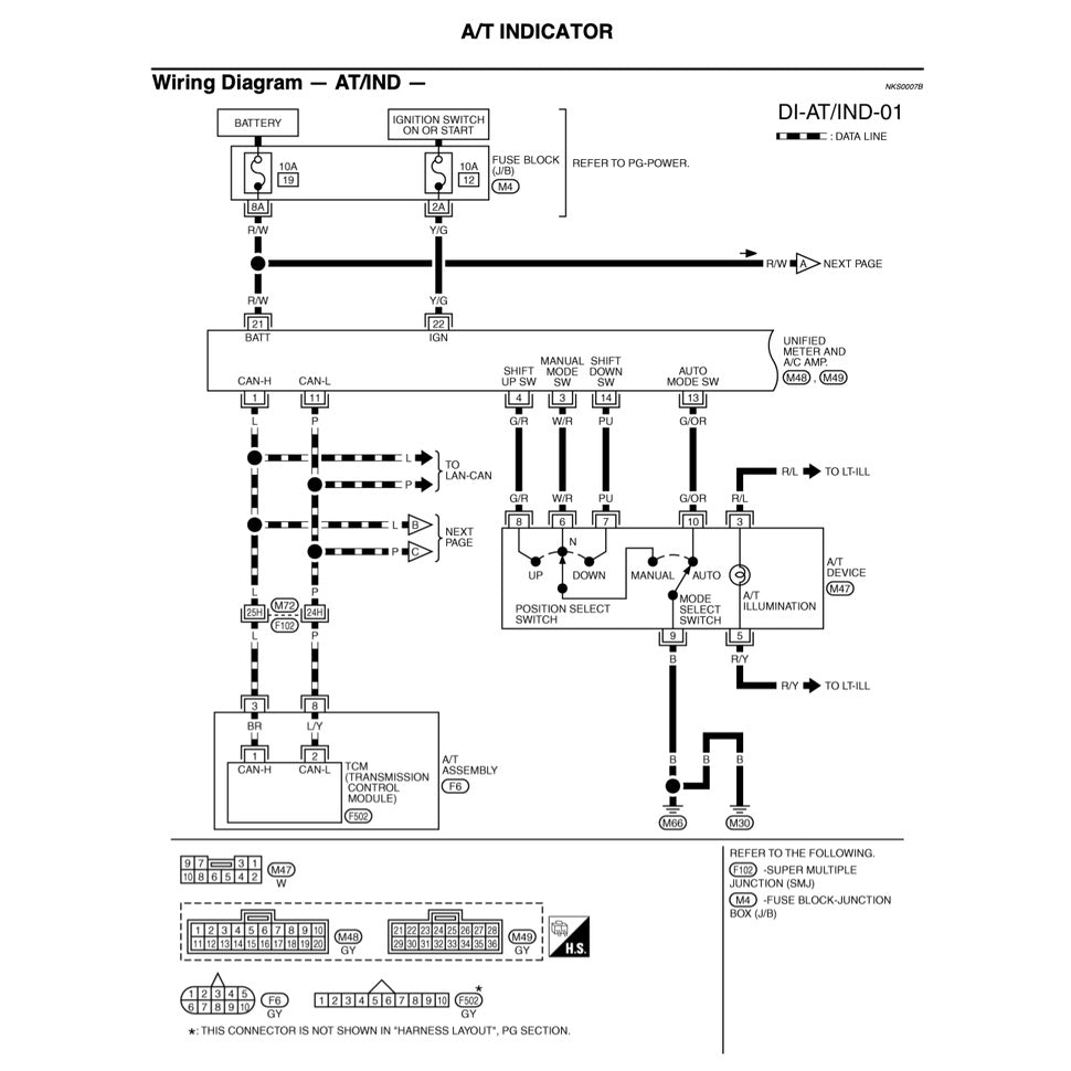
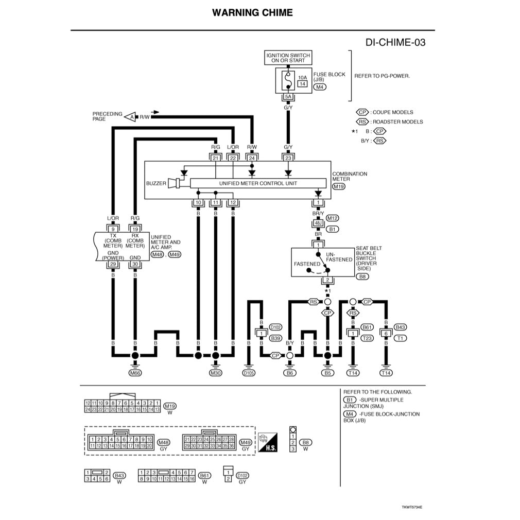
Troubleshooting and electrical service procedures are combined with detailed wiring diagram for ease of use.
Share








