1
/
of
9
Uploader
NISSAN ALMERA N17 2011-2018 Full Manual Set – Repair & Maintenance Manual
NISSAN ALMERA N17 2011-2018 Full Manual Set – Repair & Maintenance Manual
Regular price
38,00 zł PLN
Regular price
Sale price
38,00 zł PLN
Taxes included.
Shipping calculated at checkout.
Quantity
Couldn't load pickup availability
NISSAN ALMERA N17 (2011-2018) FACTORY SERVICE WORKSHOP MANUAL IN PDF FORMAT (
4278 PAGES
) AVAILABLE AS DOWNLOADABLE LINK.
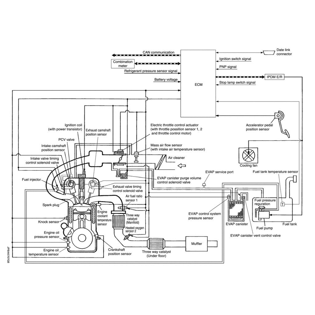
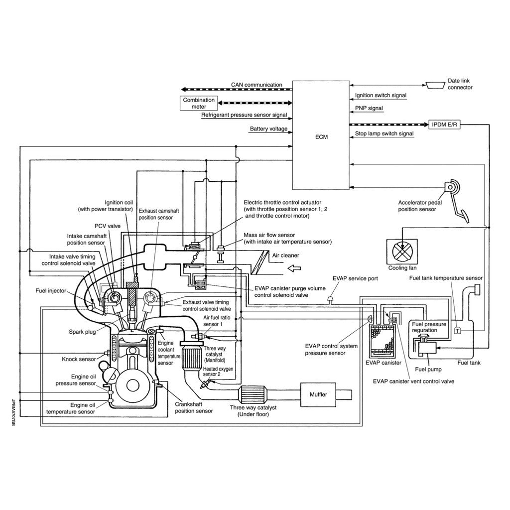
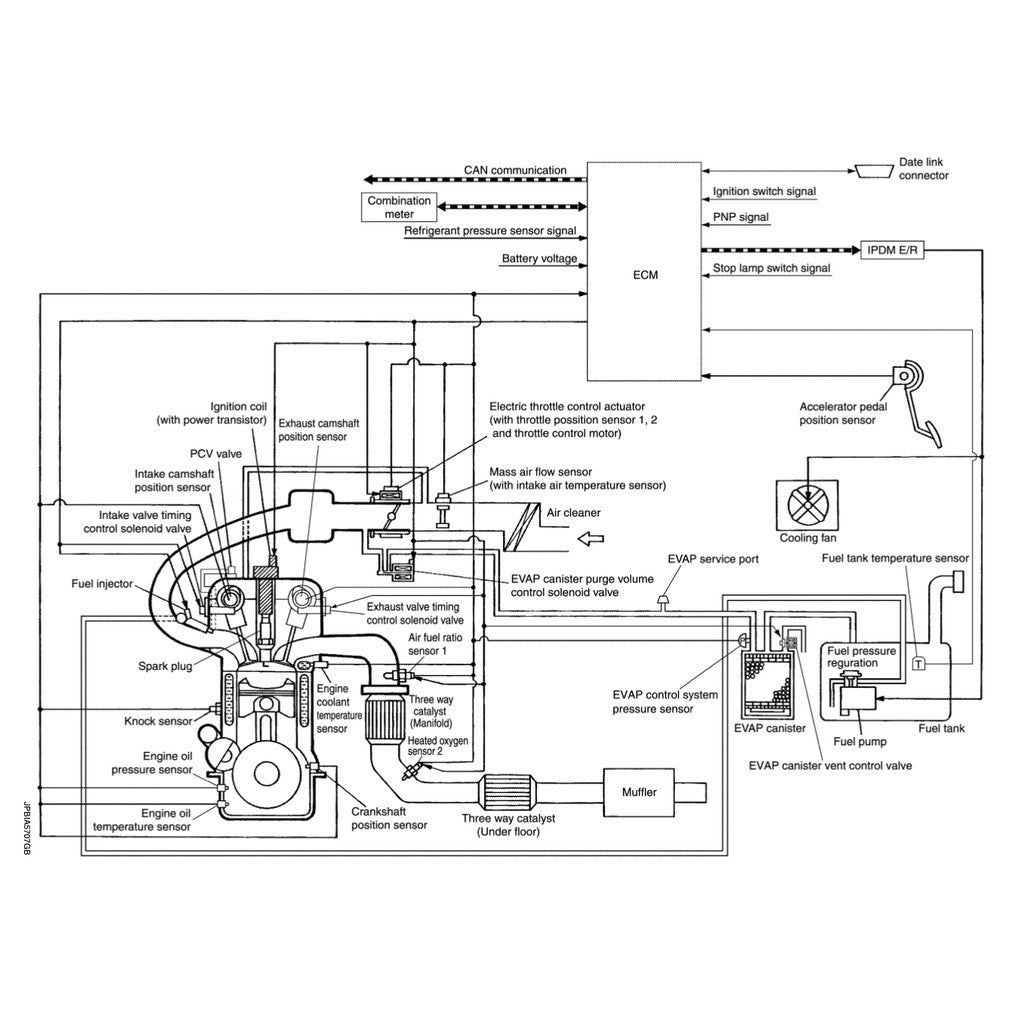
This is the same service manual your local NISSAN dealer will use when doing a repair. This manual has detailed illustrations as well as step by step instructions. Pages are printable, so run off what you need and take it with you into the garage or workshop. This manuals is your number one source for repair and service information. It is specifically written for the DIY as well as the experienced mechanic. Each manual provides step-by-step instructions supported by hundreds of photos and illustrations guiding the reader through each service & repair procedure.
THIS IS A MULTIENGINE MANUAL COVERING HR12DE, HR15DE, HR16DE & K9K (DIESEL)
DRIVETRAIN:
Engine
Petrol:
1.2 L HR12DE I3
1.5 L HR15DE I4
1.6 L HR16DE I4
Diesel:
1.5 L K9K I4
Transmission
4-speed RE4F03C automatic
5-speed RS5F91R manual
Xtronic CVT
WHAT'S INSIDE ?
Detailed sub-steps expand on repair procedure information
Notes, cautions and warnings throughout each chapter pinpoint critical information.
Numbered instructions guide you through every repair procedure step by step.
Bold figure number help you quickly match illustrations with instructions.
Detailed illustrations, drawings and photos guide you through every procedure.
Enlarged inset helps you identify and examine parts in detail.
Numbered table of contents easy to use so that you can find the information you need fast.
This manual also makes it easy to diagnose and repair problems with your machines electrical system.
Troubleshooting and electrical service procedures are combined with detailed wiring diagram for ease of use.
Share








