1
/
of
9
Uploader
NISSAN PATROL Y60 GQ 1987-1997 Full Manual Set – Repair & Maintenance Manual
NISSAN PATROL Y60 GQ 1987-1997 Full Manual Set – Repair & Maintenance Manual
Regular price
38,00 zł PLN
Regular price
Sale price
38,00 zł PLN
Taxes included.
Shipping calculated at checkout.
Quantity
Couldn't load pickup availability
NISSAN PATROL Y60 GQ (1987-1997) SERVICE WORKSHOP MANUAL IN PDF FORMAT (
1061 PAGES
) SUPPLIED AS DOWNLOADABLE LINK
This is the same service manual your local NISSAN dealer will use when doing a repair. This manual has detailed illustrations as well as step by step instructions. All pages are printable, so run off what you need and take it with you into the garage or workshop.
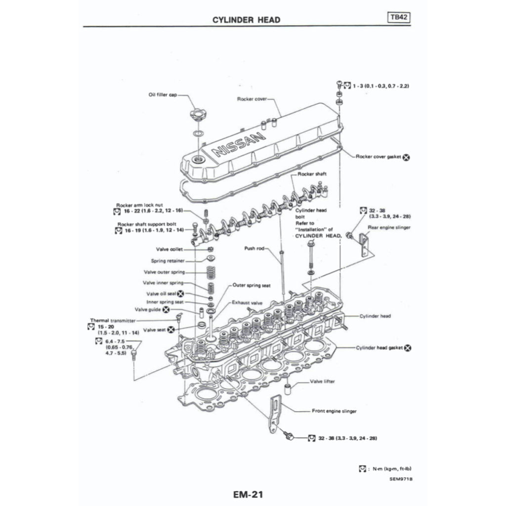
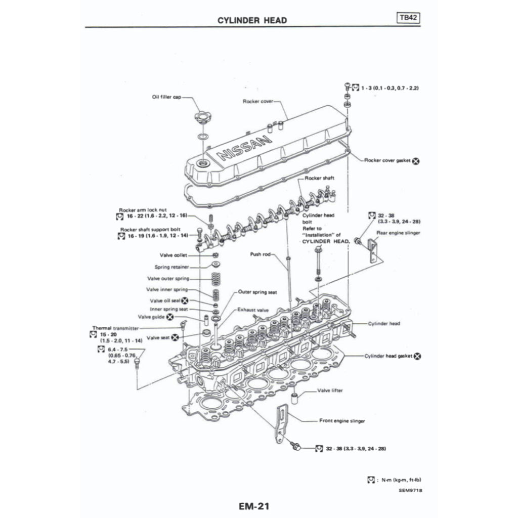
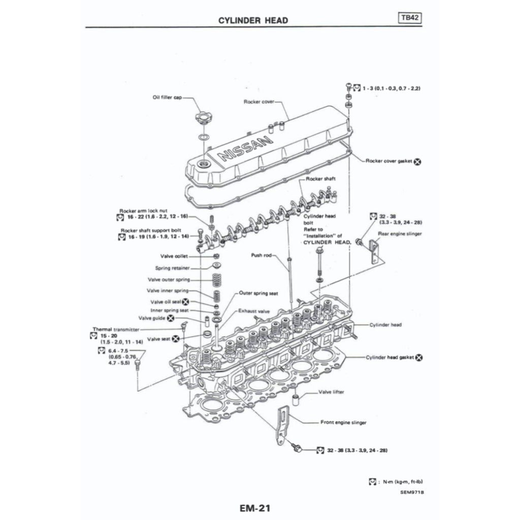
ENGINES FEATURED IN THIS MANUAL: 4.2 L TB42S/TB42E I6; 2.8L RD28ETi
POWERTRAIN:
Engine
Petrol:
3.0 L RB30S I6
4.2 L TB42S/TB42E I6
Diesel:
2.8 L RD28T I6 turbo
4.2 L TD42 I6
Transmission
4-speed RE4R03A automatic
5-speed FS5R50A manual
Share








