1
/
of
9
Uploader
SUBARU LEGACY BL/BP 2003-2009 Full Manual Set – Repair & Maintenance Manual
SUBARU LEGACY BL/BP 2003-2009 Full Manual Set – Repair & Maintenance Manual
Regular price
38,00 zł PLN
Regular price
Sale price
38,00 zł PLN
Taxes included.
Shipping calculated at checkout.
Quantity
Couldn't load pickup availability
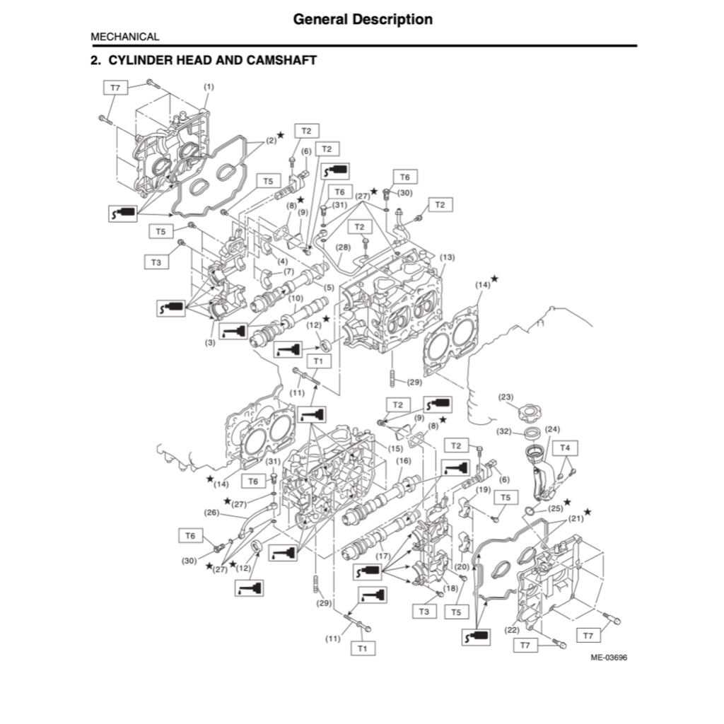
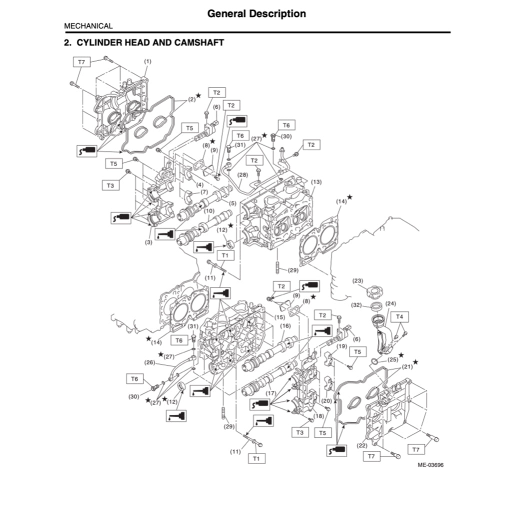
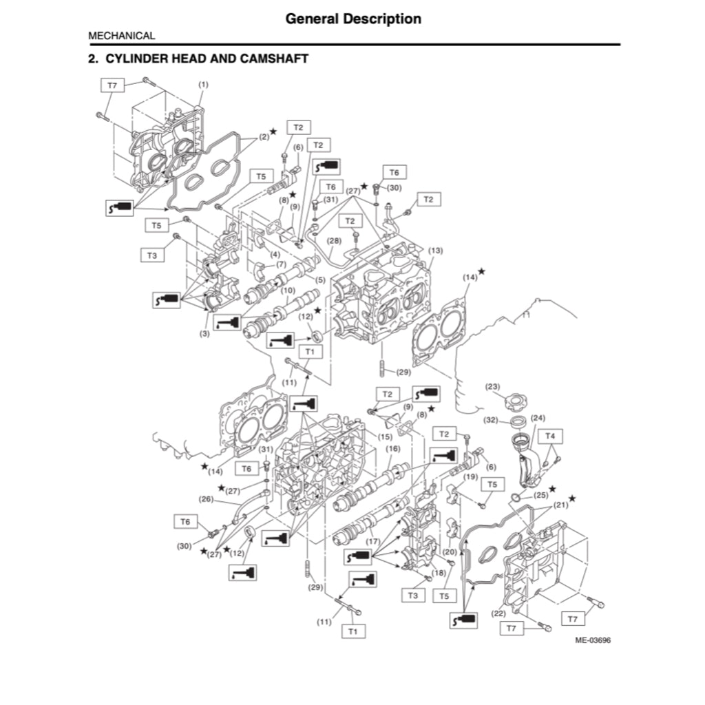
SUBARU LEGACY BL/BP (2003-2009) SERVICE WORKSHOP MANUAL IN PDF FORMAT (
4984 PAGES
) SUPPLIED AS DOWNLOADABLE LINK.
This is the same service manual your local SUBARU dealer will use when doing a repair. This manual has detailed illustrations as well as step by step instructions. Pages are printable, so run off what you need and take it with you into the garage or workshop.
POWERTRAIN
Engine
2.0L SOHC EJ20 H4
2.0L DOHC EJ20 H4
2.0L DOHC Turbo EJ20 H4
2.0L DOHC TD EE20 H4
2.5L SOHC EJ253 H4
2.5L DOHC Turbo EJ255 H4
3.0L EZ30 DOHC H6
Transmission
4-speed automatic
5-speed automatic
5-speed manual
6-speed manual
Share








