1
/
of
7
Uploader
TESLA ROADSTER I 2008-2012 Full Manual Set – Repair & Maintenance Manual and Spare Parts Catalog
TESLA ROADSTER I 2008-2012 Full Manual Set – Repair & Maintenance Manual and Spare Parts Catalog
Regular price
38,00 zł PLN
Regular price
Sale price
38,00 zł PLN
Taxes included.
Shipping calculated at checkout.
Quantity
Couldn't load pickup availability
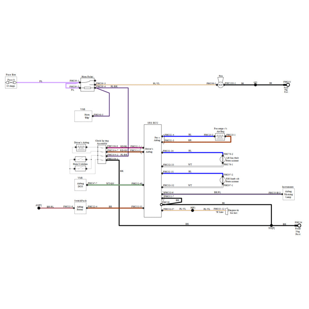
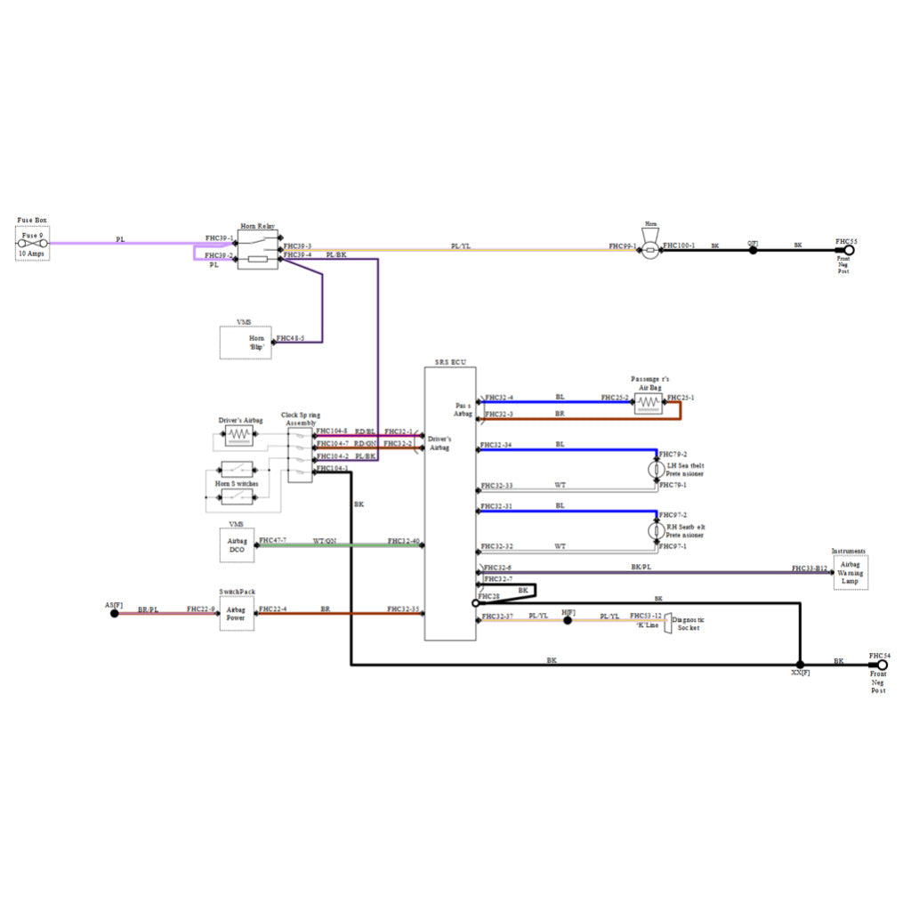
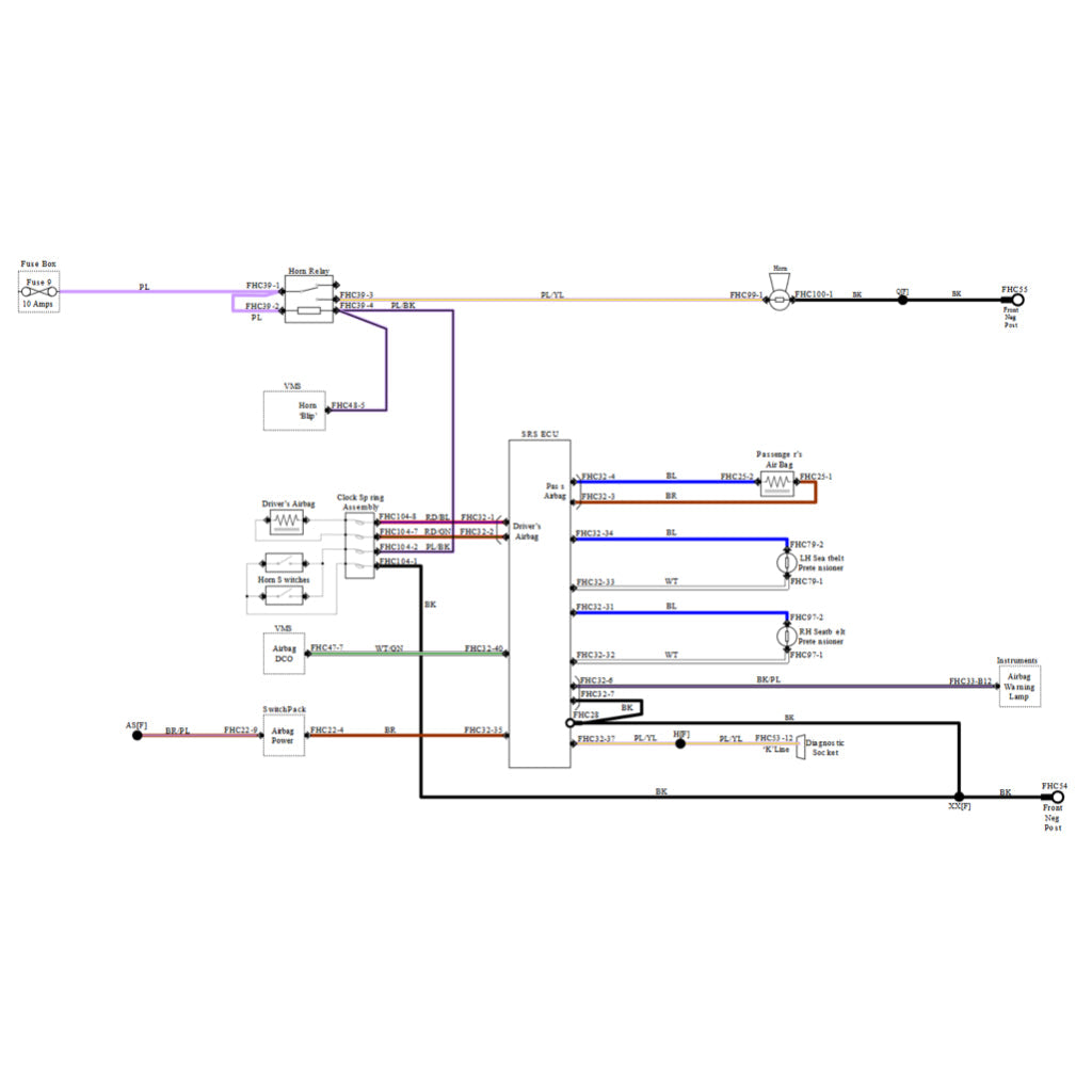
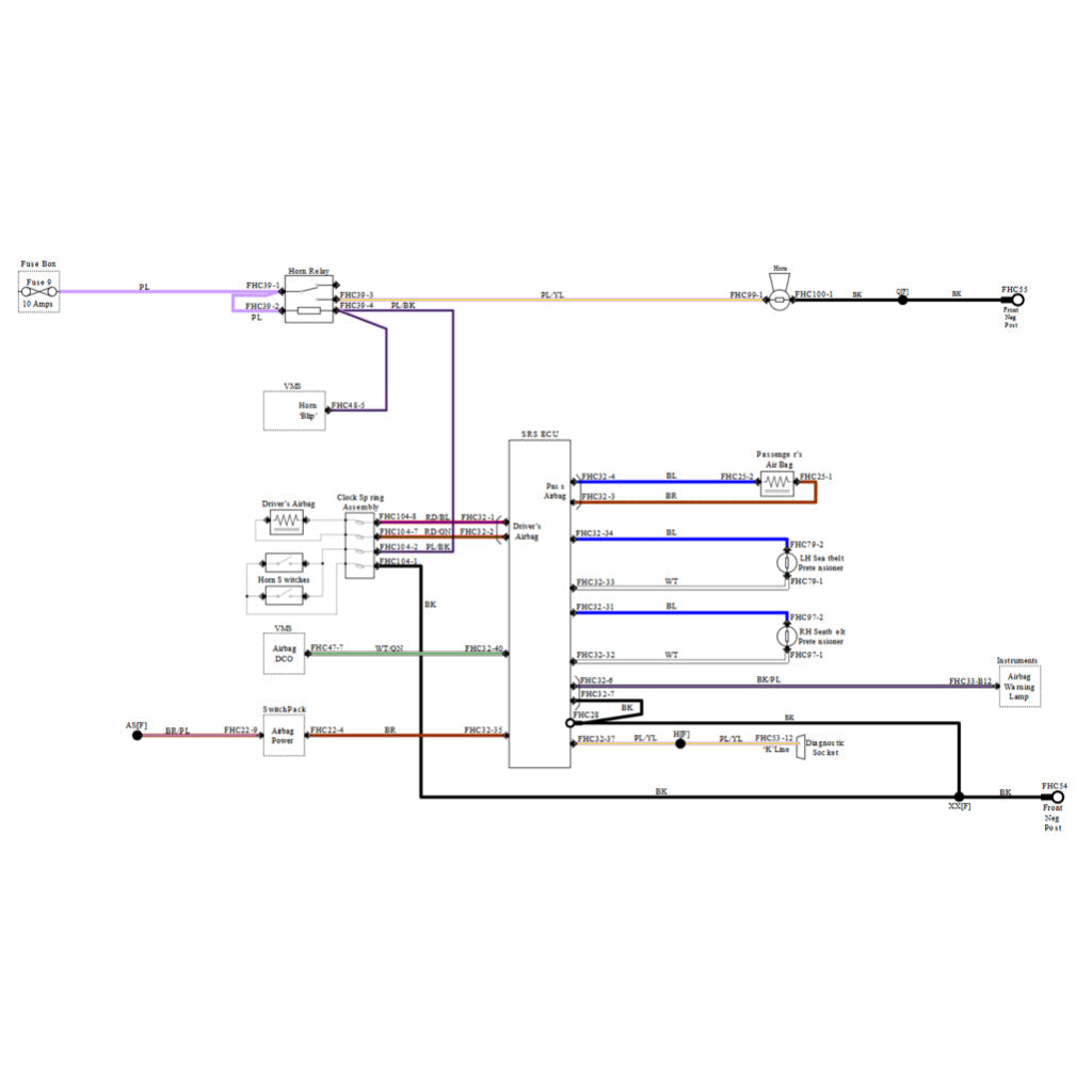
TESLA ROADSTER I (2008-2012) SERVICE WORKSHOP MANUAL + PARTS CATALOGUE IN PDF FORMAT (~5000 pages). THIS DIGITISED MANUAL IS AVAILABLE BOTH AS DOWNLOADABLE LINK AND PEN DRIVE SHIPPED.
THE MANUAL CAME OUT FOR A VERY RESTRICTED AUDIENCE AND HERE IS YOUR CHANCE TO BE PART OF IT.
TESLA WORKSHOP MANUAL IS TYPICALLY FOR EDUCATIONAL INSTITUTIONS, AMATEURS OF REVERSE ENGINEERING OR SIMPLY FOR SOMEONE CURIOUS TO KNOW IN DETAILS HOW A TESLA WAS ENGINEERED.
POWERTRAIN
Electric motor 3-phase 4-pole AC induction motor
1.5: 248 hp (185 kW), 200 lb?ft (270 N?m)
2.0, 2.5: 288 hp (215 kW), 280 lb?ft (380 N?m)
2.5 Sport: 288 hp (215 kW), 295 lb?ft (400 N?m)
Transmission 1-speed BorgWarner (8.27:1 ratio)
Battery53 kWh lithium-ion
Share






