1
/
of
9
Uploader
TOYOTA ALPHARD / VELLFIRE ANH20 / GGH20 2008-2015 Full Manual Set – SYSTEM WIRING DIAGRAMS and WIRE ROUTINGand RELAY LOCATIONS
TOYOTA ALPHARD / VELLFIRE ANH20 / GGH20 2008-2015 Full Manual Set – SYSTEM WIRING DIAGRAMS and WIRE ROUTINGand RELAY LOCATIONS
Regular price
38,00 zł PLN
Regular price
Sale price
38,00 zł PLN
Taxes included.
Shipping calculated at checkout.
Quantity
Couldn't load pickup availability
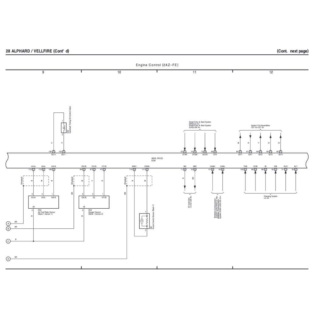
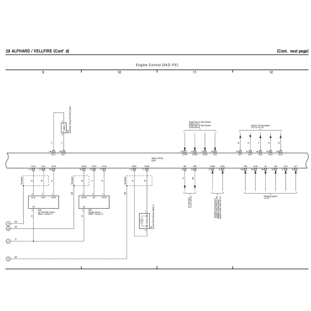
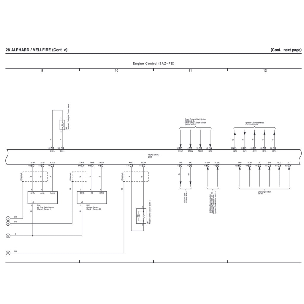
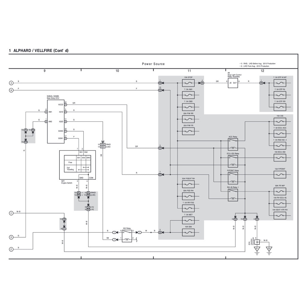
TOYOTA ALPHARD / VELLFIRE ANH20 / GGH20 (2008-2015) SYSTEMS WIRING DIAGRAMS + CONNECTORS + RELAY + WIRE ROUTING IN PDF FORMAT (1250 PAGES) .
Complete wiring diagram for Toyota Alphard/Vellfire covering engine 2AZ-FE/2GR-FE. This manuals include:
- System wiring diagrams
- Connectors
- Relay location
- Wire routing
POWERTRAIN
Engine
2.5 L 2AZ-FE I4
3.5 L 2GR-FE V6
Transmission
6-speed ATF U660E automatic
7-speed super CVT-i automatic
Share








