1
/
of
9
Uploader
TOYOTA LAND CRUISER J200 2008-2021 Full Manual Set – Repair & Maintenance Manual
TOYOTA LAND CRUISER J200 2008-2021 Full Manual Set – Repair & Maintenance Manual
Regular price
38,00 zł PLN
Regular price
Sale price
38,00 zł PLN
Taxes included.
Shipping calculated at checkout.
Quantity
Couldn't load pickup availability
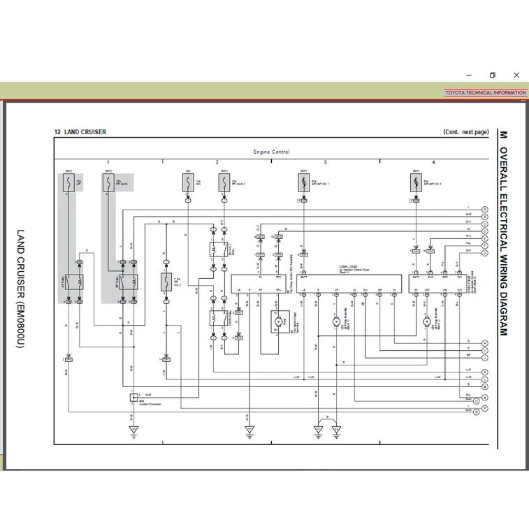
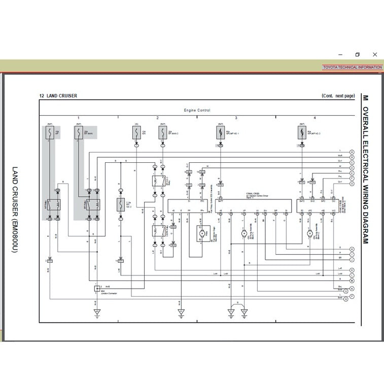
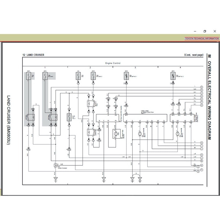
TOYOTA LAND CRUISER J200 (2008-2021) SERVICE WORKSHOP MANUAL TOYOTA GSIC SYSTEM IN PC/WINDOWS OFFLINE VIEWING APPLICATION (INTERNET EXPLORER ONLY) + ONLINE MANUAL SUPPLIED WITH DOWNLOADABLE LINK.
This is the same type of service manual your local TOYOTA dealer will use when doing a repair. This manual has detailed illustrations as well as step by step instructions. Using this repair manual is an inexpensive way to keep your vehicle working properly. Each manual provides step-by-step instructions based on the complete dis-assembly of the machine. It is this level of detail, along with hundreds of photos and illustrations, that guide the reader through each service and repair procedure.
ENGINE FEATURED IN THIS MANUAL: 4.0 L 1GR-FE V6; 4.6 L 1UR-FE V8; 4.7 L 2UZ-FE V8; 5.7 L 3UR-FE V8 & 4.5 L 1VD-FTV turbocharged V8
POWERTRAIN
Engine:
Petrol:
4.0 L 1GR-FE V6
4.6 L 1UR-FE V8
4.7 L 2UZ-FE V8
5.7 L 3UR-FE V8
Diesel:
4.5 L 1VD-FTV turbocharged V8
Transmission:
5-speed manual
5-speed automatic
6-speed automatic
8-speed automatic
Share








