1
/
of
9
Uploader
TRIUMPH ROCKET III CLASSIC / TOURING / GT / R 2004-2022 Full Manual Set – Repair & Maintenance Manual
TRIUMPH ROCKET III CLASSIC / TOURING / GT / R 2004-2022 Full Manual Set – Repair & Maintenance Manual
Regular price
38,00 zł PLN
Regular price
Sale price
38,00 zł PLN
Taxes included.
Shipping calculated at checkout.
Quantity
Couldn't load pickup availability
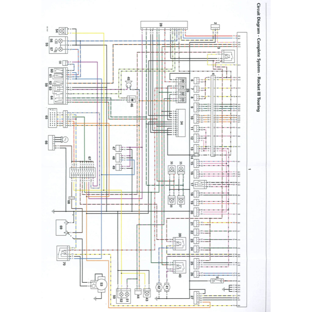
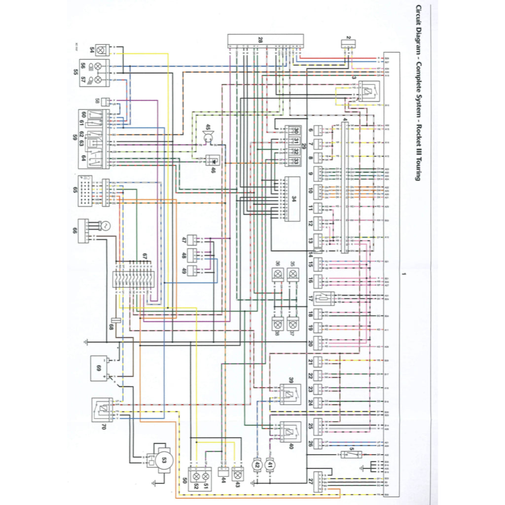
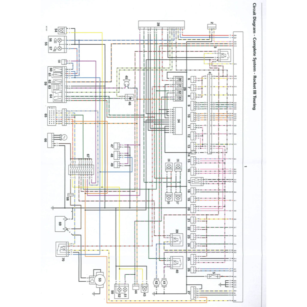
TRIUMPH ROCKET III CLASSIC / TOURING / GT / R (2004-2022) SERVICE WORKSHOP MANUAL IN PDF FORMAT (420-1500 PAGES) SUPPLIED AS DOWNLOADABLE LINK.
Comprehensive yet concise workshop manual for both technicians and DIY bike mechanic. This manual will help you restore and maintain your bike just like professional mechanic. Very easy step by step instructions with lots of diagrams and high resolution photos. Covers all aspects of the bike from engine to suspension, wheels, fuel supply, electrical and trouble shooting tips.
we offer 3 variants for this manual (select at checkout):
- R0CKET III (2004-2007)
- ROCKET III / CLASSIC /TOURING (2008-2017)
- ROCKET III / GT / R (2021-2022)
CONTENTS: SEE PICTURES
Share








