1
/
of
9
Uploader
YAMAHA TZM150 4HF1/2 1994+ Full Manual Set – Repair & Maintenance Manual and Spare Parts Catalog
YAMAHA TZM150 4HF1/2 1994+ Full Manual Set – Repair & Maintenance Manual and Spare Parts Catalog
Regular price
38,00 zł PLN
Regular price
Sale price
38,00 zł PLN
Taxes included.
Shipping calculated at checkout.
Quantity
Couldn't load pickup availability
YAMAHA TZM150 4HF1/2 (1994+) SERVICE WORKSHOP MANUAL + PARTS CATALOGUE IN PDF FORMAT (324 PAGES). THIS DIGITISED MANUAL IS AVAILABLE AS DOWNLOADABLE LINK.
This is a comprehensive workshop manual for both technicians and DIY bike mechanic. This manual will help you restore, repair and maintain your Yamaha TZM just like professional mechanic. Very easy step by step instructions with hundreds of diagrams and schematics. Covers all aspects of the bike from engine to suspension, wheels, fuel supply, electrical and trouble shooting tips. If you can fix a Matchbox, with this manual you can fix your Yamaha TZM A to Z.
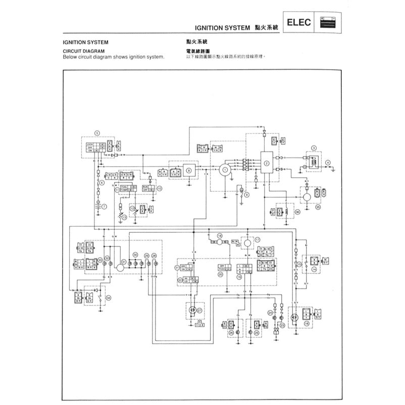
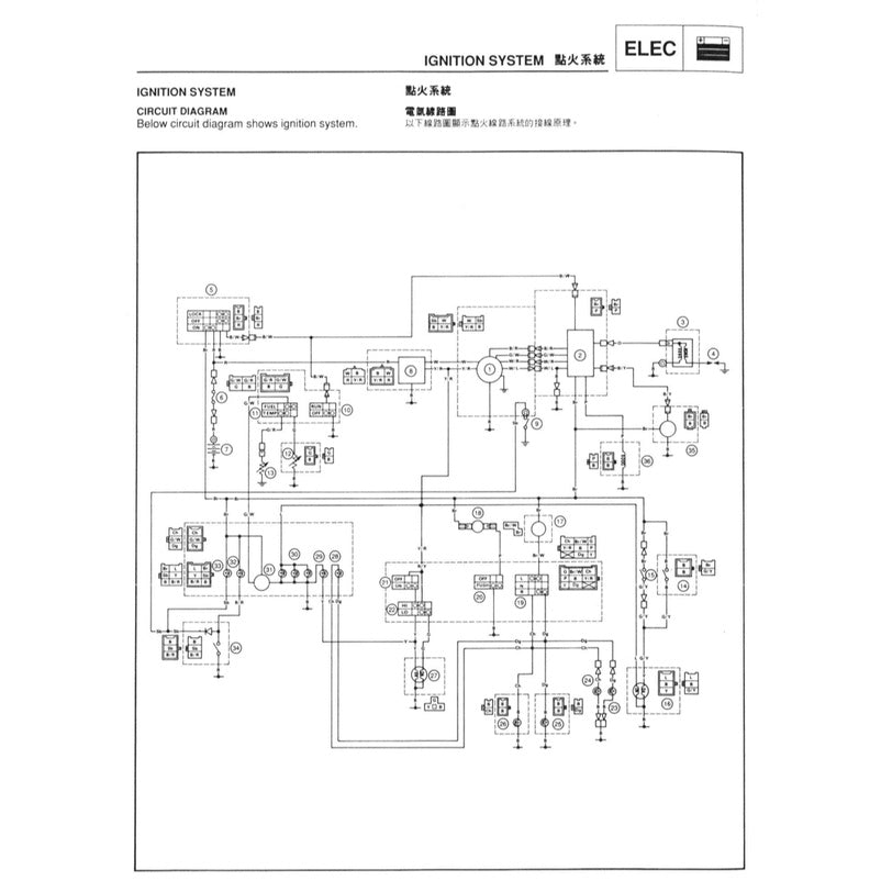
CONTENTS: SEE PICTURES
Share








