1
/
of
9
Uploader
YAMAHA XVS950 MIDNIGHT STAR 2009-2015 Full Manual Set – Repair & Maintenance Manual and User Handbook
YAMAHA XVS950 MIDNIGHT STAR 2009-2015 Full Manual Set – Repair & Maintenance Manual and User Handbook
Regular price
38,00 zł PLN
Regular price
Sale price
38,00 zł PLN
Taxes included.
Shipping calculated at checkout.
Quantity
Couldn't load pickup availability
YAMAHA XVS950 MIDNIGHT STAR (2009-2015) SERVICE WORKSHOP MANUAL + OWNER'S MANUAL IN PDF FORMAT (458 PAGES) SUPPLIED AS DOWNLOADABLE LINK.
This manual will help you restore and maintain your bike just like professional mechanic. Very easy step by step instructions with lots of diagrams and high resolution photos. Covers all aspects of the bike from engine to suspension, wheels, fuel supply, electrical and trouble shooting tips.
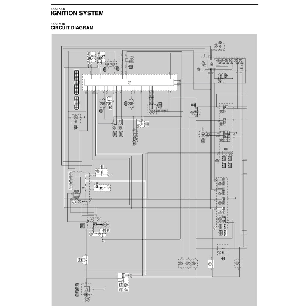
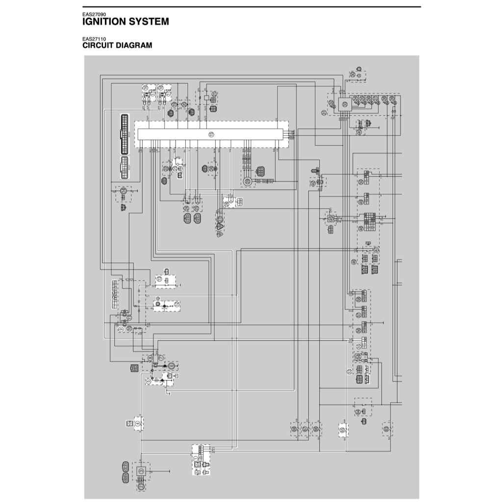
CONTENTS: SEE PICTURES
Share








