1
/
of
9
Uploader
YAMAHA YZF-R25 2015-2019 Full Manual Set – Repair & Maintenance Manual and Spare Parts CatalogandUser Handbook
YAMAHA YZF-R25 2015-2019 Full Manual Set – Repair & Maintenance Manual and Spare Parts CatalogandUser Handbook
Regular price
38,00 zł PLN
Regular price
Sale price
38,00 zł PLN
Taxes included.
Shipping calculated at checkout.
Quantity
Couldn't load pickup availability
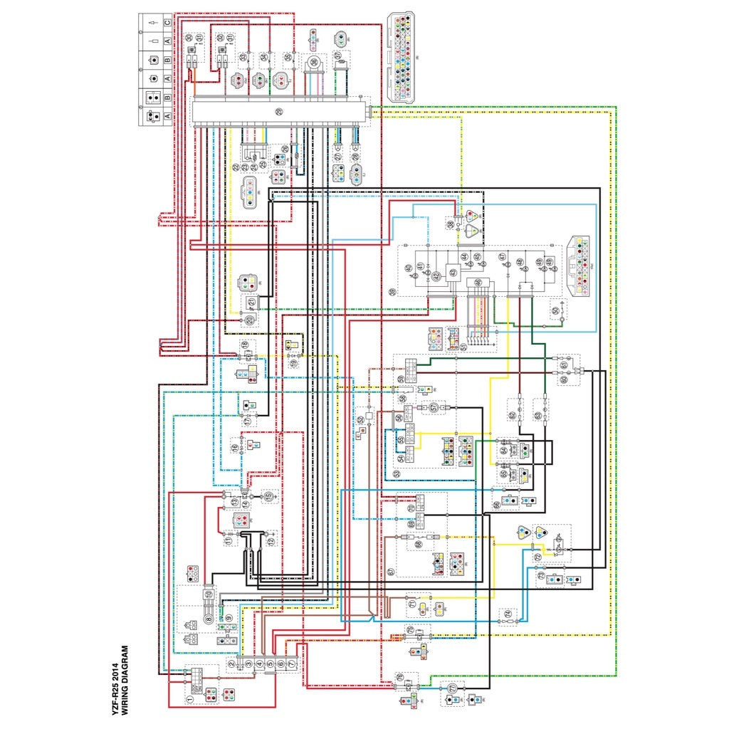
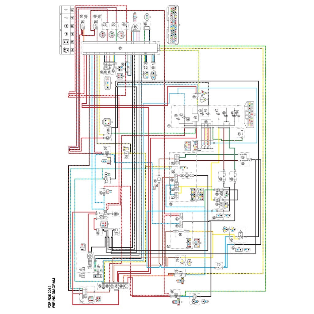
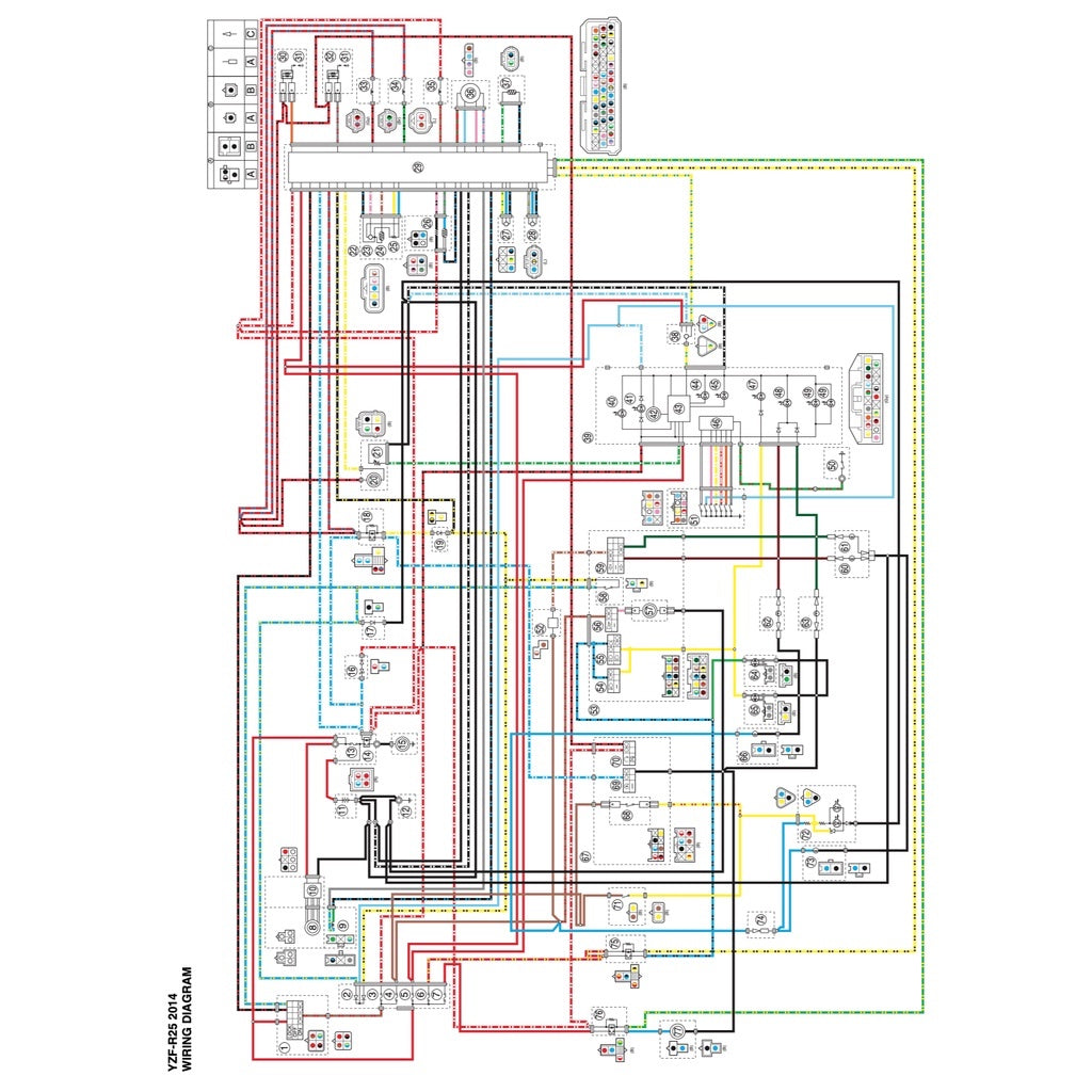
YAMAHA YZF-R25 (2015-2019) SERVICE WORKSHOP MANUAL + PARTS CATALOGUE+OWNER'S MANUAL IN PDF FORMAT (623 PAGES). THIS DIGITISED MANUAL IS AVAILABLE AS DOWNLOADABLE LINK.
This is a comprehensive workshop manual for both technicians and DIY bike mechanic. This manual will help you restore, repair and maintain your YAMAHA just like professional mechanic. Very easy step by step instructions with hundreds of diagrams and schematics. Covers all aspects of the bike from engine to suspension, wheels, fuel supply, electrical and trouble shooting tips. If you can fix a Matchbox, with this manual you can fix your Yamaha A to Z.
CONTENTS: SEE PICTURE
Share








